GM Service Manual Online
For 1990-2009 cars only
Makes
🢒
HUMMER
🢒
2005
🢒
H2
🢒
Body
🢒
Wiring Systems
🢒 Data Link Connector Schematics
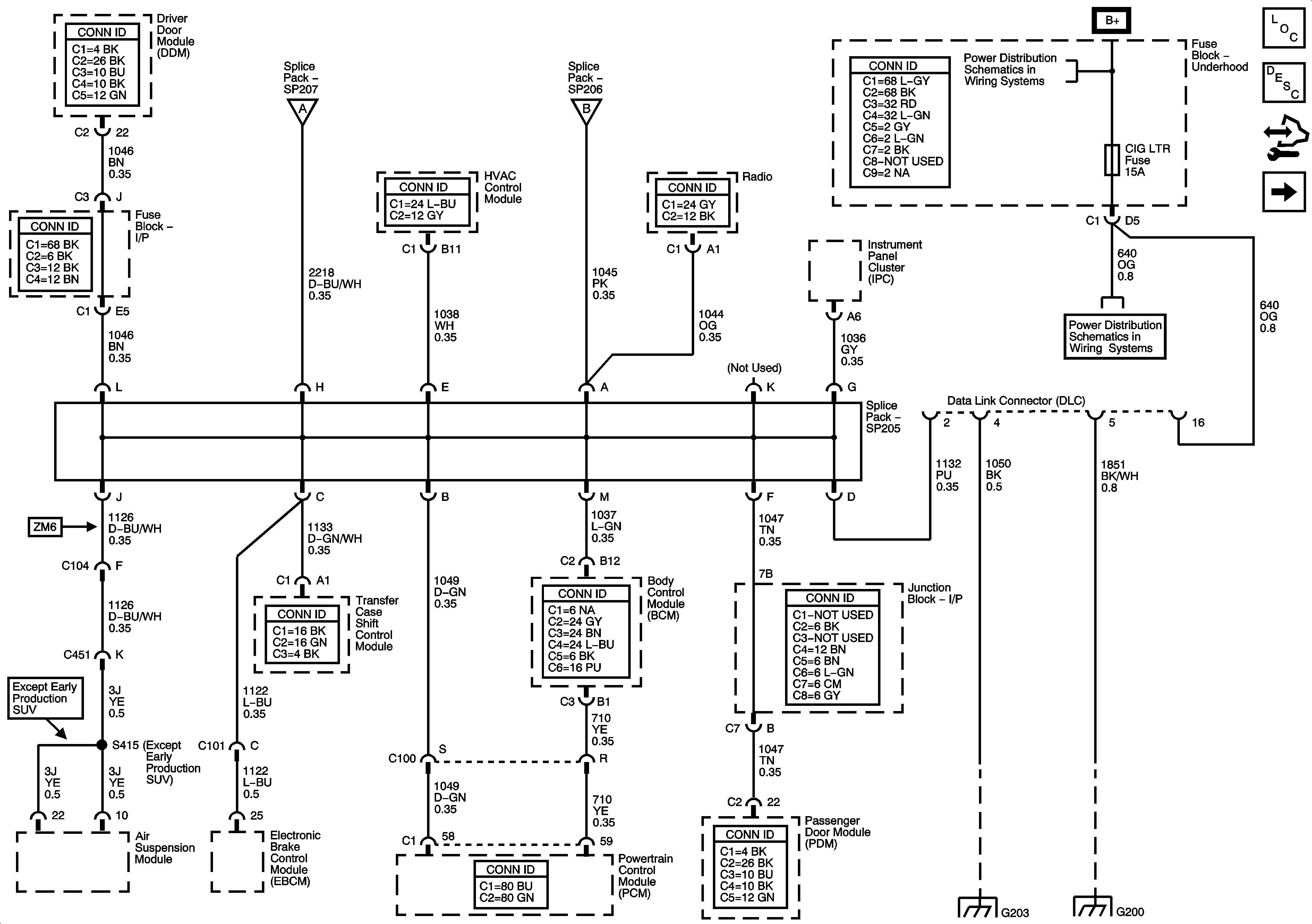
Figure
1:
Power, Ground, Data Link Connector, and SP205
Master Electrical Component List
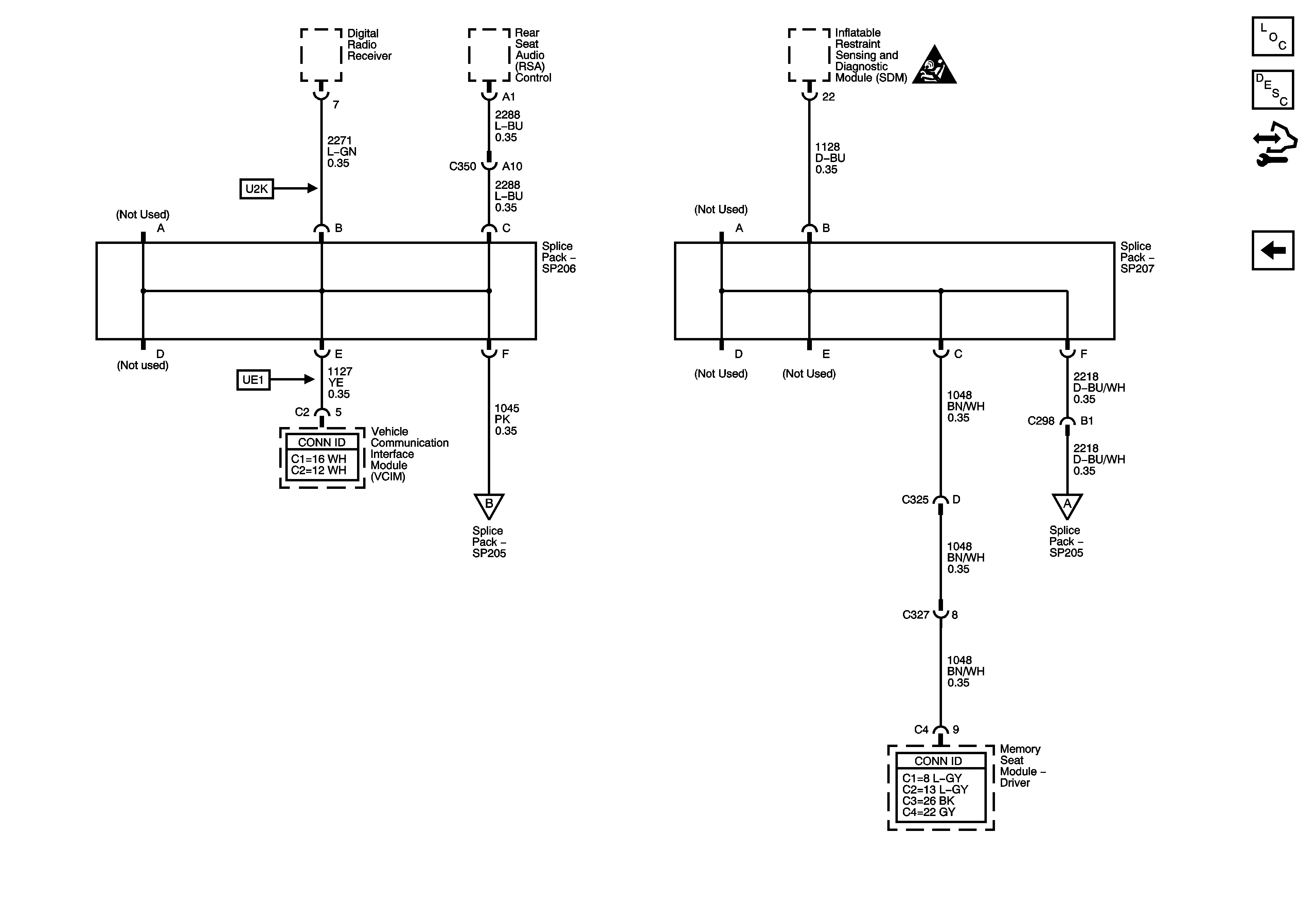
Splice Packs SP 206 and SP 207, and Dedicated TAC Serial Data Circuits
Splice Packs SP 206 and SP 207, and Dedicated TAC Serial Data Circuits
Splice Packs SP 206 and SP 207, and Dedicated TAC Serial Data Circuits
B+Bus
CIG LTR, AUX PWR 1, SUNROOF, RADIO, RADIO AMP, and RR HVAC Fuses
G200
CKT 1050: S301 and S213
Figure
2:
SP206 and SP207
Master Electrical Component List
Data Link Communications Description and Operation
Power, Ground, DLC, and Splice Pack SP205
SIR Caution for Zoning
Power, Ground, DLC, and Splice Pack SP205
Power, Ground, DLC, and Splice Pack SP205