GM Service Manual Online
For 1990-2009 cars only
Makes
🢒
HUMMER
🢒
2005
🢒
H2
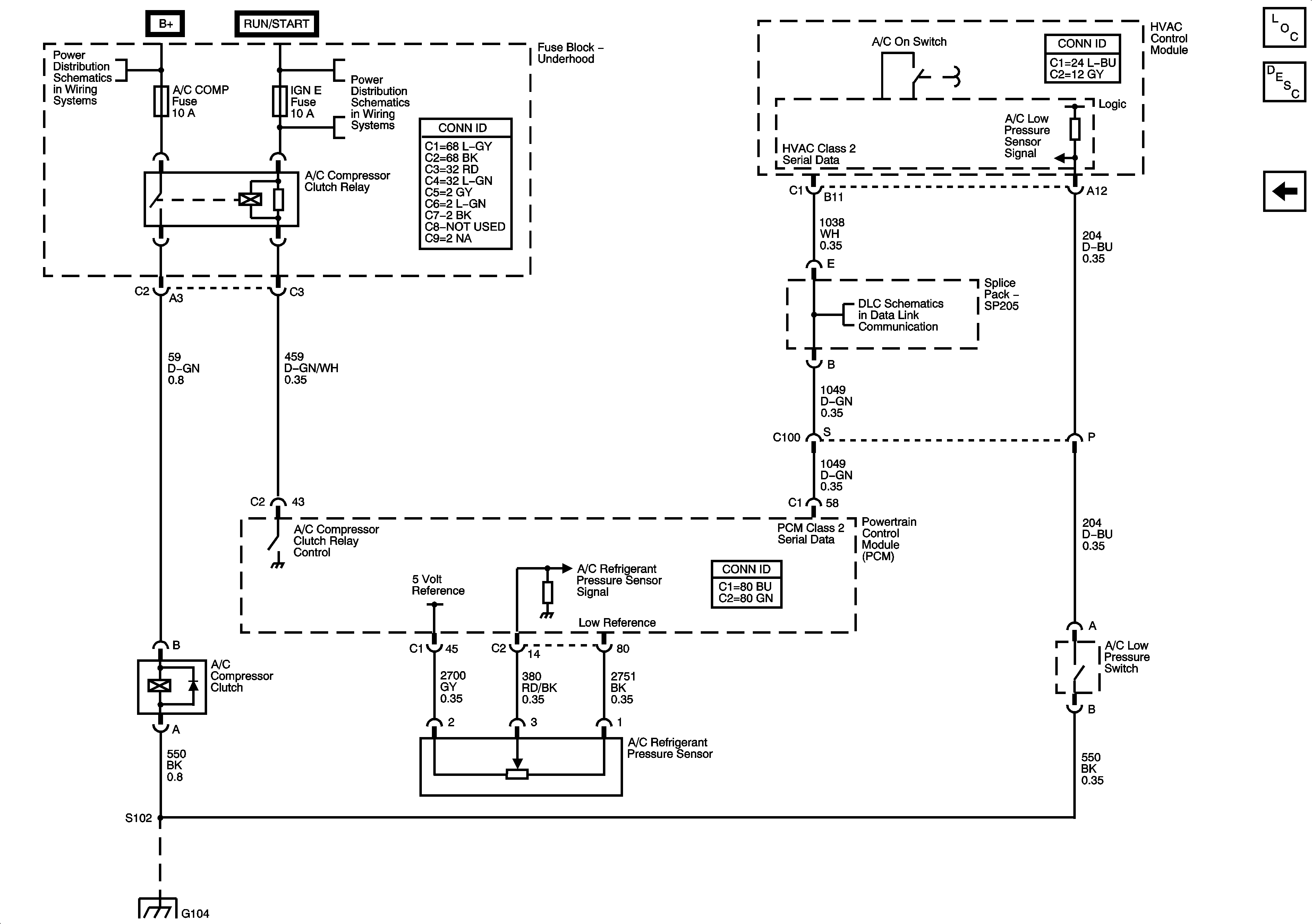
🢒 Air Conditioning Compressor Control
Air Conditioning Compressor Control
Air Conditioning Compressor Control
Master Electrical Component List
Air Temperature Description and Operation
Air Temperature Sensors
B+Bus
SEO IGN, SIR, and IGN E Fuses
Power, Ground, DLC, and Splice Pack SP205
G104 and G106