GM Service Manual Online
For 1990-2009 cars only
Makes
🢒
HUMMER
🢒
2005
🢒
H2
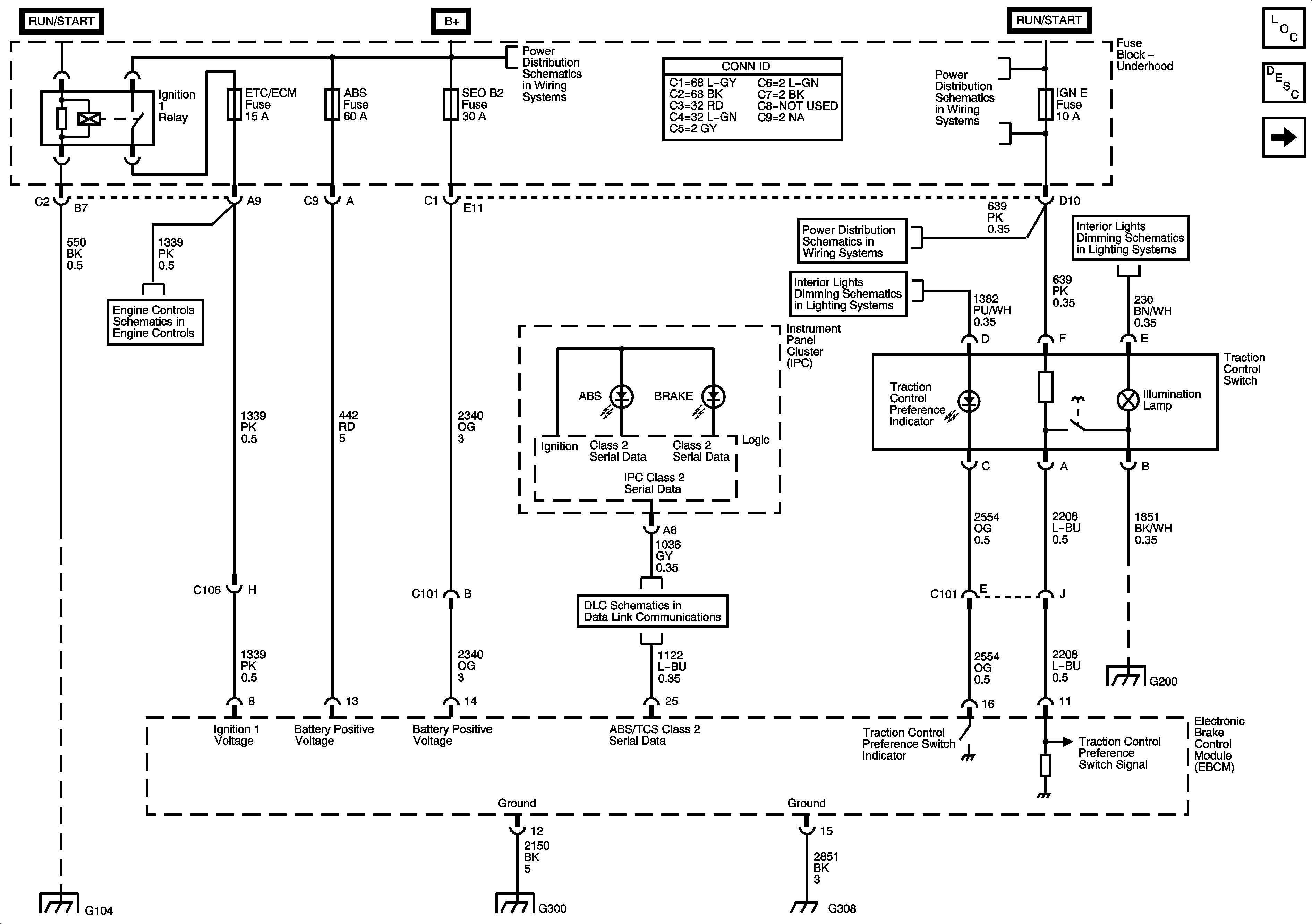
🢒 EBCM Power, Ground,DLC, Indicator Lamps, and Traction Control Switch
EBCM Power, Ground,DLC, Indicator Lamps, and Traction Control Switch
EBCM Power, Ground, DLC, Indicator Lamps, and Traction Control Switch
Master Electrical Component List
ABS Description and Operation
Stoplamp Switch and Longitudinal Accelerometer Inputs
ETC/ECM, PCM I, INJ 1, and INJ 2 Fuses
B+Bus
SEO IGN, SIR, and IGN E Fuses
Dimmer Controls, I/P Cluster Illumination, and Switch Indicators
SEO IGN, SIR, and IGN E Fuses
Illumination - Traction Control, Steering Wheel Controls, and Rear Window Washer/Wiper Switches
Power, Ground, DLC, and Splice Pack SP205
G308, G310, G401, and G300
G104 and G106