GM Service Manual Online
For 1990-2009 cars only
Makes
🢒
HUMMER
🢒
2005
🢒
H2
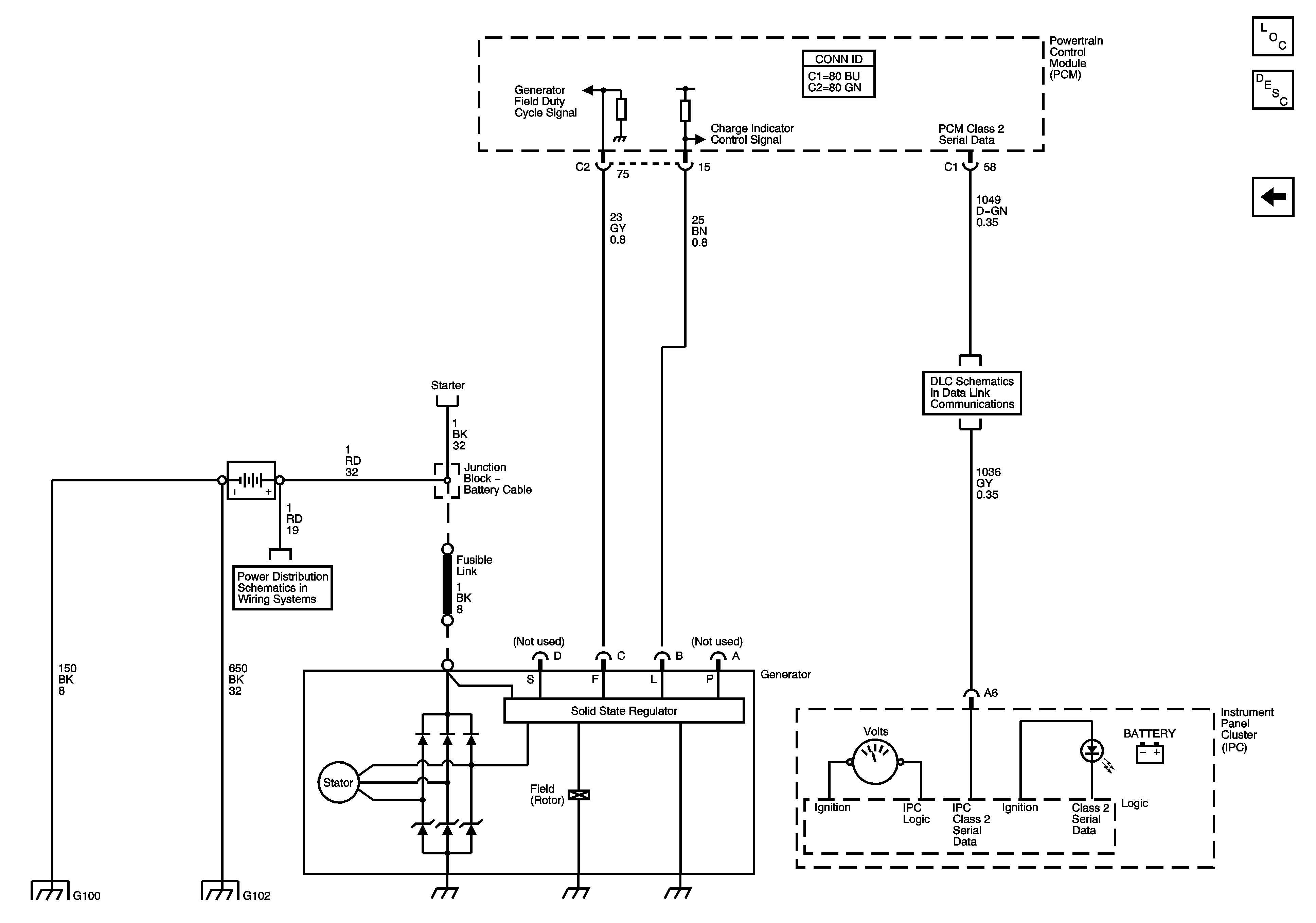
🢒 Charging Schematics
Charging Schematics
Charging Schematics
Master Electrical Component List
Charging System Description and Operation
Starting Schematics
Power, Ground, DLC, and Splice Pack SP205
Starting Schematics
B+Bus
G102 and G103
G100