GM Service Manual Online
For 1990-2009 cars only
Makes
🢒
HUMMER
🢒
2005
🢒
H2
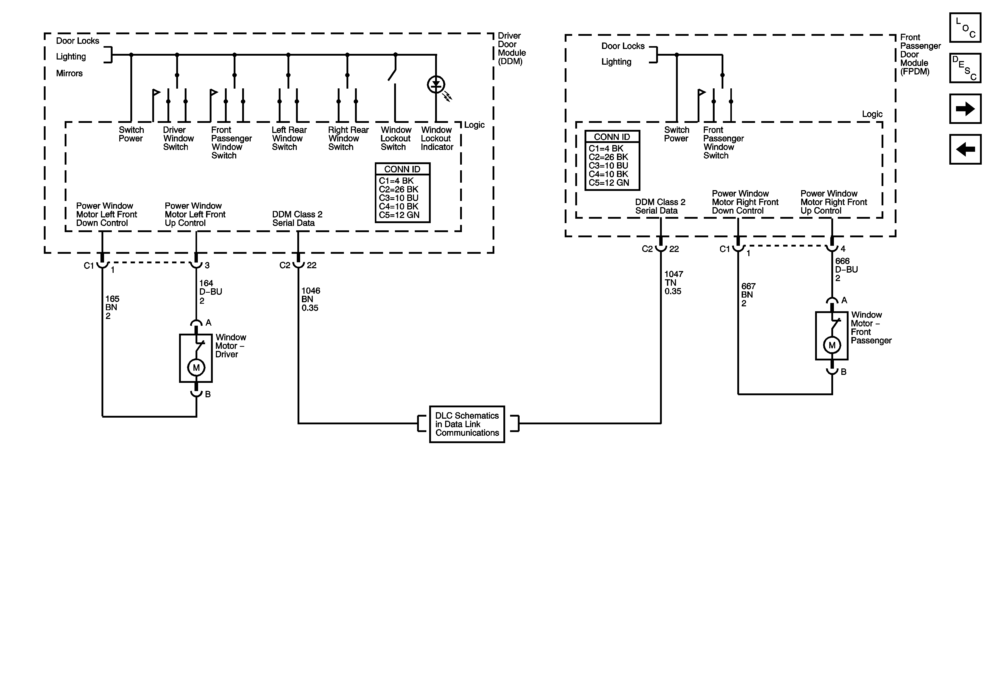
🢒 Front Door Windows
Front Door Windows
Front Door Windows
Master Electrical Component List
Power Windows Description and Operation
Rear Door Windows
Door Modules - Power, Grounding, and DLC
Door Lock/Indicator Schematics
Driver Window, Door, and Seat Switches
Outside Mirror Schematics
Door Lock/Indicator Schematics
Front Passenger Window, Door, and Seat Switches
Power, Ground, DLC, and Splice Pack SP205