GM Service Manual Online
For 1990-2009 cars only
Makes
🢒
HUMMER
🢒
2005
🢒
H2
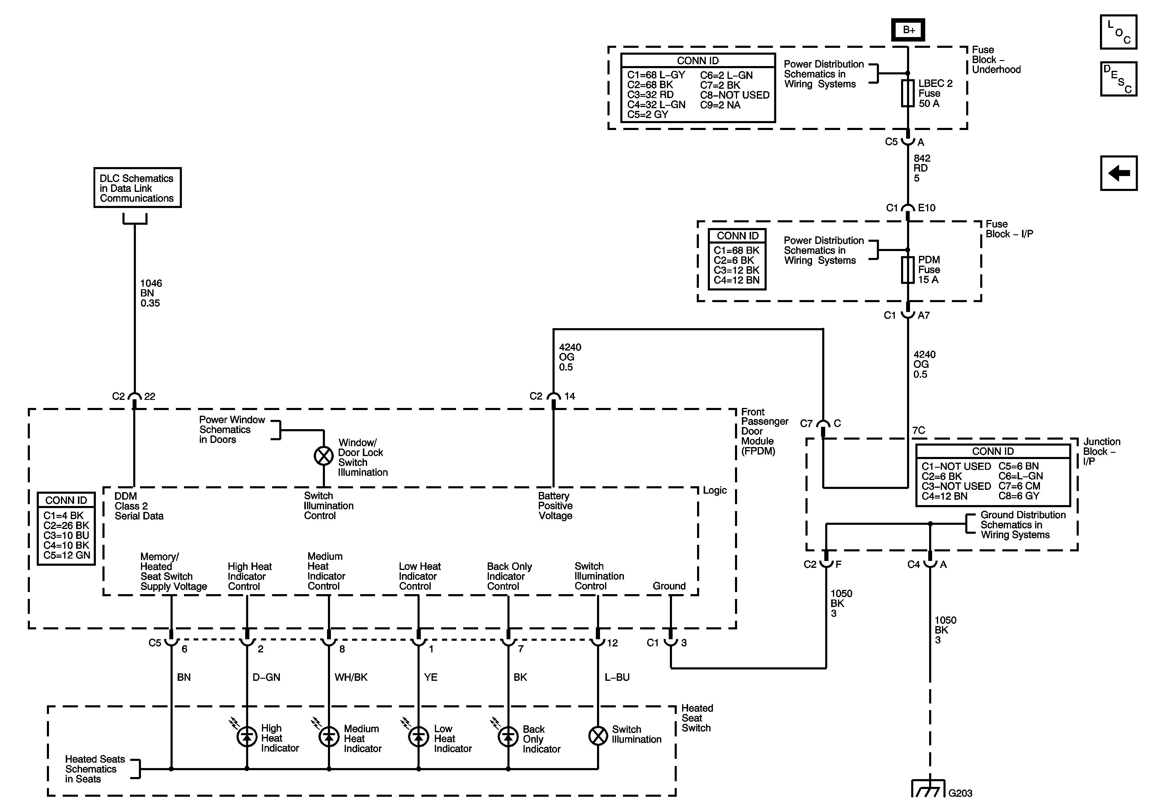
🢒 Front Passenger Window, Door, and Seat Switches
Front Passenger Window, Door, and Seat Switches
Front Passenger Window, Door, and Seat Switches
Master Electrical Component List
Interior Lighting Systems Description and Operation
Driver Window, Door, and Seat Switches
Power, Ground, DLC, and Splice Pack SP205
Front Door Windows
LBEC 1, LBEC 2, INFO, FPDM, AUX PWR, DDM, LOCKS, TBC 2A, 2B, and 2C, and LT DOORS Circuit Breaker
B+Bus
CKT 1050: G203, S302, S303, S351, and S215
CKT 1050: G203, S302, S303, S351, and S215
Heat Controls