GM Service Manual Online
For 1990-2009 cars only
Makes
🢒
HUMMER
🢒
2005
🢒
H2
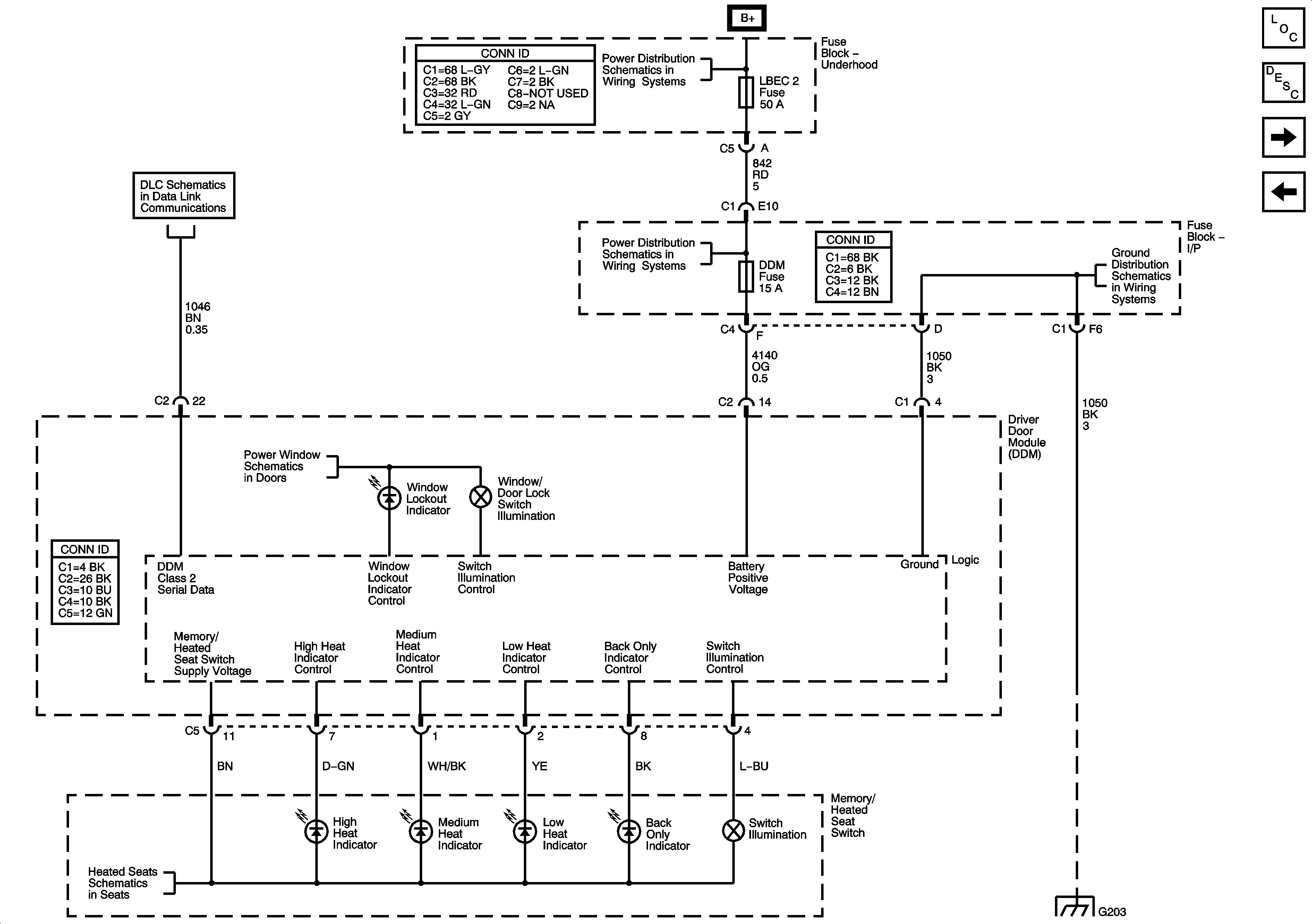
🢒 Driver Window, Door, and Seat Switches
Driver Window, Door, and Seat Switches
Driver Window, Door, and Seat Switches
Master Electrical Component List
Interior Lighting Systems Description and Operation
Front Passenger Window, Door, and Seat Switches
Illumination - Traction Control, Steering Wheel Controls, and Rear Window Washer/Wiper Switches
Power, Ground, DLC, and Splice Pack SP205
Front Door Windows
LBEC 1, LBEC 2, INFO, FPDM, AUX PWR, DDM, LOCKS, TBC 2A, 2B, and 2C, and LT DOORS Circuit Breaker
B+Bus
CKT 1050: S301 and S213
Heat Controls