GM Service Manual Online
For 1990-2009 cars only
Makes
🢒
HUMMER
🢒
2005
🢒
H2
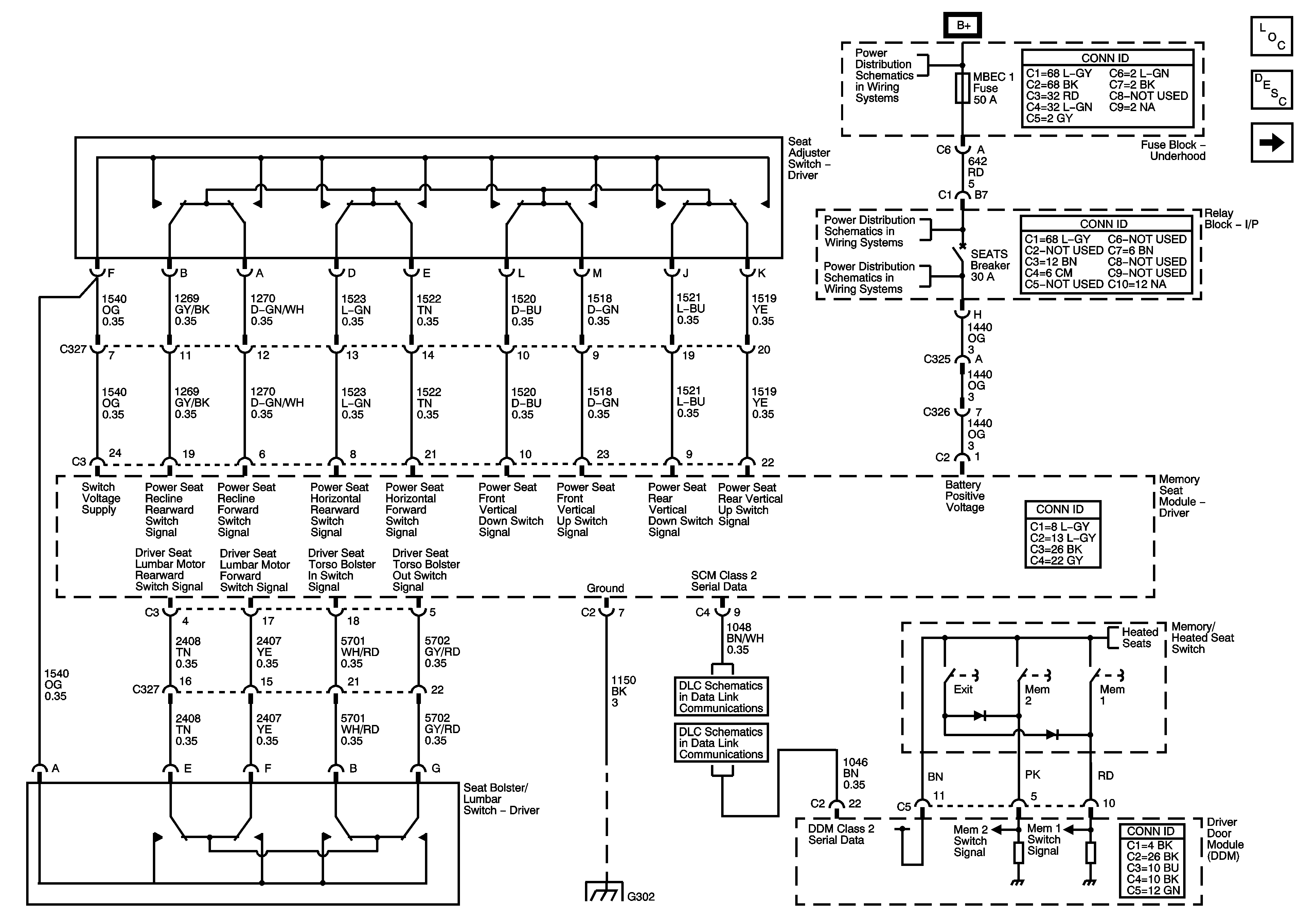
🢒 Power, Ground, and Power and Lumbar Controls
Power, Ground, and Power and Lumbar Controls
Driver Memory Seat and Memory Switch
Master Electrical Component List
Memory Seats Description and Operation
Power and Lumbar Motors and Sensors
B+Bus
STUD 1, STUD 2, VSES/ECAS, BLOWER, ABS, MBEC 1 Fuses, RT DOORS and SEATS Circuit Breakers
Heat Controls
Splice Packs SP 206 and SP 207, and Dedicated TAC Serial Data Circuits
Power, Ground, DLC, and Splice Pack SP205
G302, G304, and G306