GM Service Manual Online
For 1990-2009 cars only
Makes
🢒
HUMMER
🢒
2005
🢒
H2
🢒 OnStar Schematics
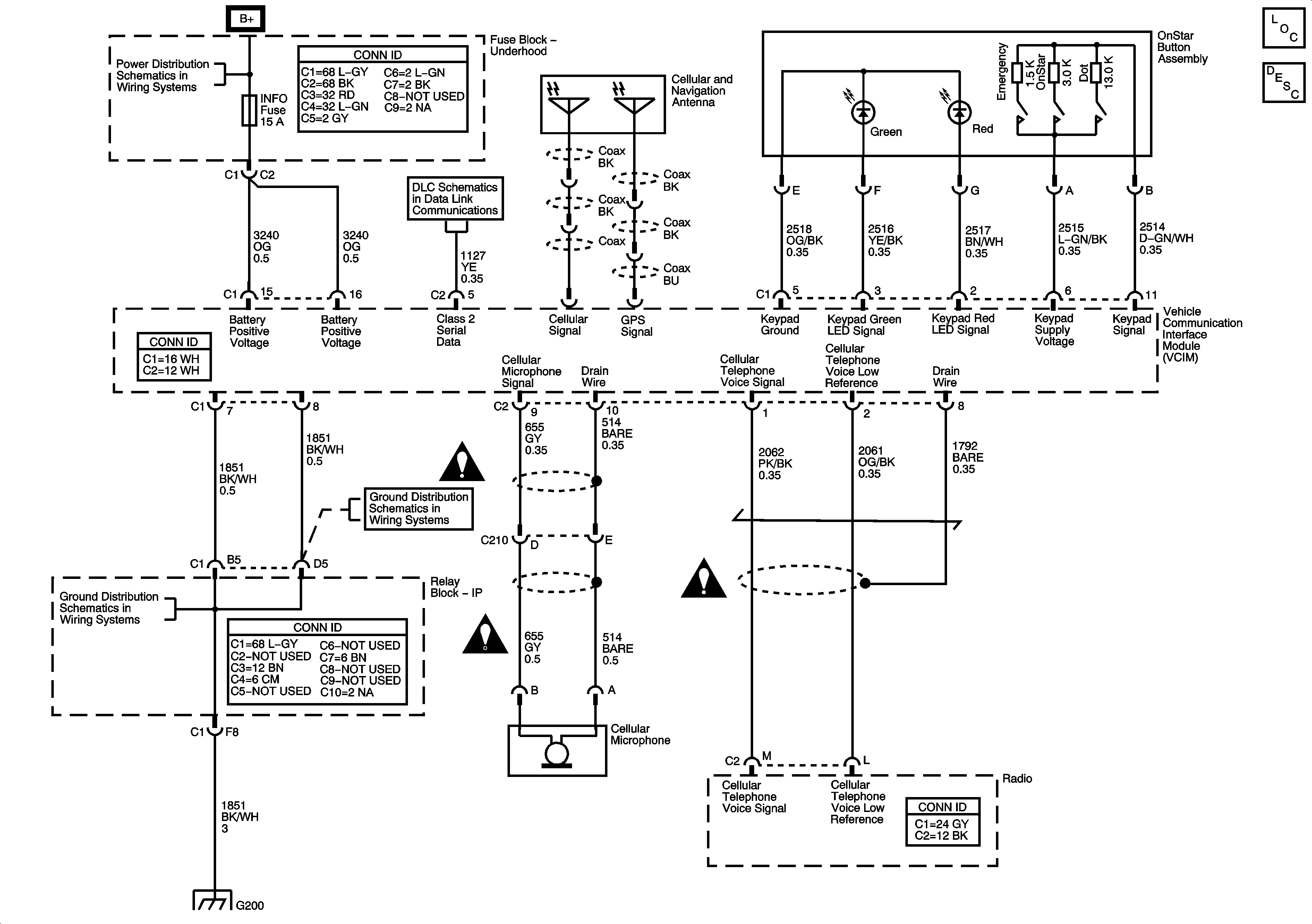
OnStar Schematics
Master Electrical Component List
OnStar Description and Operation
B+Bus
Splice Packs SP 206 and SP 207, and Dedicated TAC Serial Data Circuits
Cellular Communication Schematic Icons
Cellular Communication Schematic Icons
G200
Cellular Communication Schematic Icons
G200
G200