GM Service Manual Online
For 1990-2009 cars only
Makes
🢒
HUMMER
🢒
2007
🢒
H2
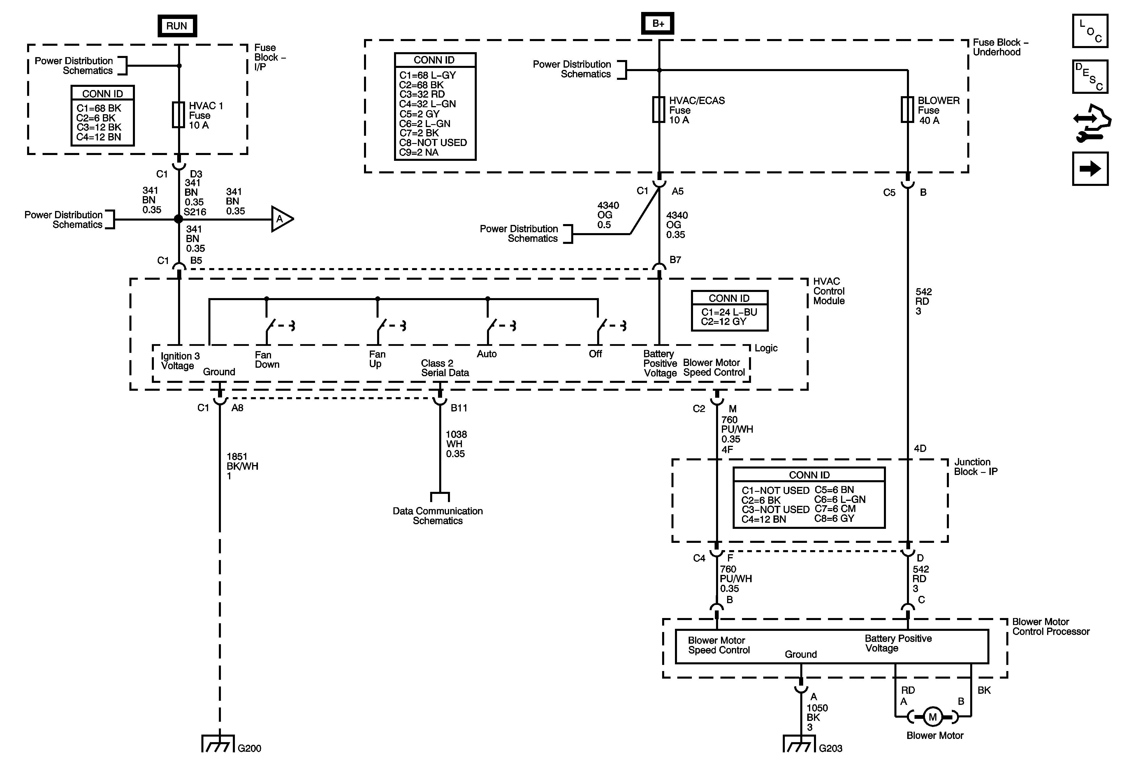
🢒 Power, Ground, Serial Data, and Blower Control
Power, Ground, Serial Data, and Blower Control
Power, Ground, Serial Data, and Blower Control
Master Electrical Component List
Air Delivery Description and Operation
Control Module References
Mode and Recirculation Controls
Ignition Switch - ACY/RUN/START, RUN and Start Bus Bars, and CRANK and IGN A Fuses
4WD, BRAKE, CRUISE, HVAC 1, and IGN 3 Fuses
Mode and Recirculation Controls
HVAC/ECAS, IPC/DIC, PCM B, SEO B1, SEO B2, TBC BATT, and TREC Fuses
B+ Bus
G203 - 1 of 3
Power, Ground, DLC and Splice Pack SP205
G200