GM Service Manual Online
For 1990-2009 cars only
Makes
🢒
HUMMER
🢒
2007
🢒
H2
🢒 Charging
Charging
Charging
Master Electrical Component List
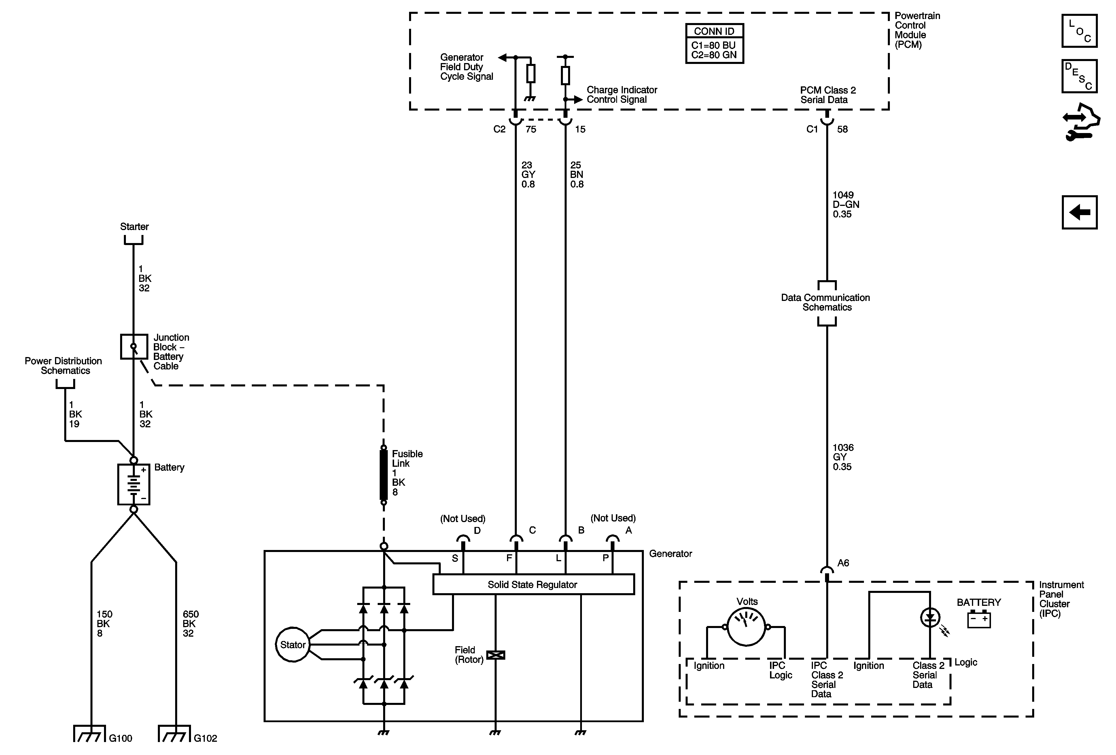
Charging System Description and Operation
Control Module References
07 H2 Starting and Charging Schematics - Starting
B+ Bus
07 H2 Starting and Charging Schematics - Starting
Power, Ground, DLC and Splice Pack SP205
G100 and G105
G103 and G103