GM Service Manual Online
For 1990-2009 cars only
Makes
🢒
HUMMER
🢒
2007
🢒
H2
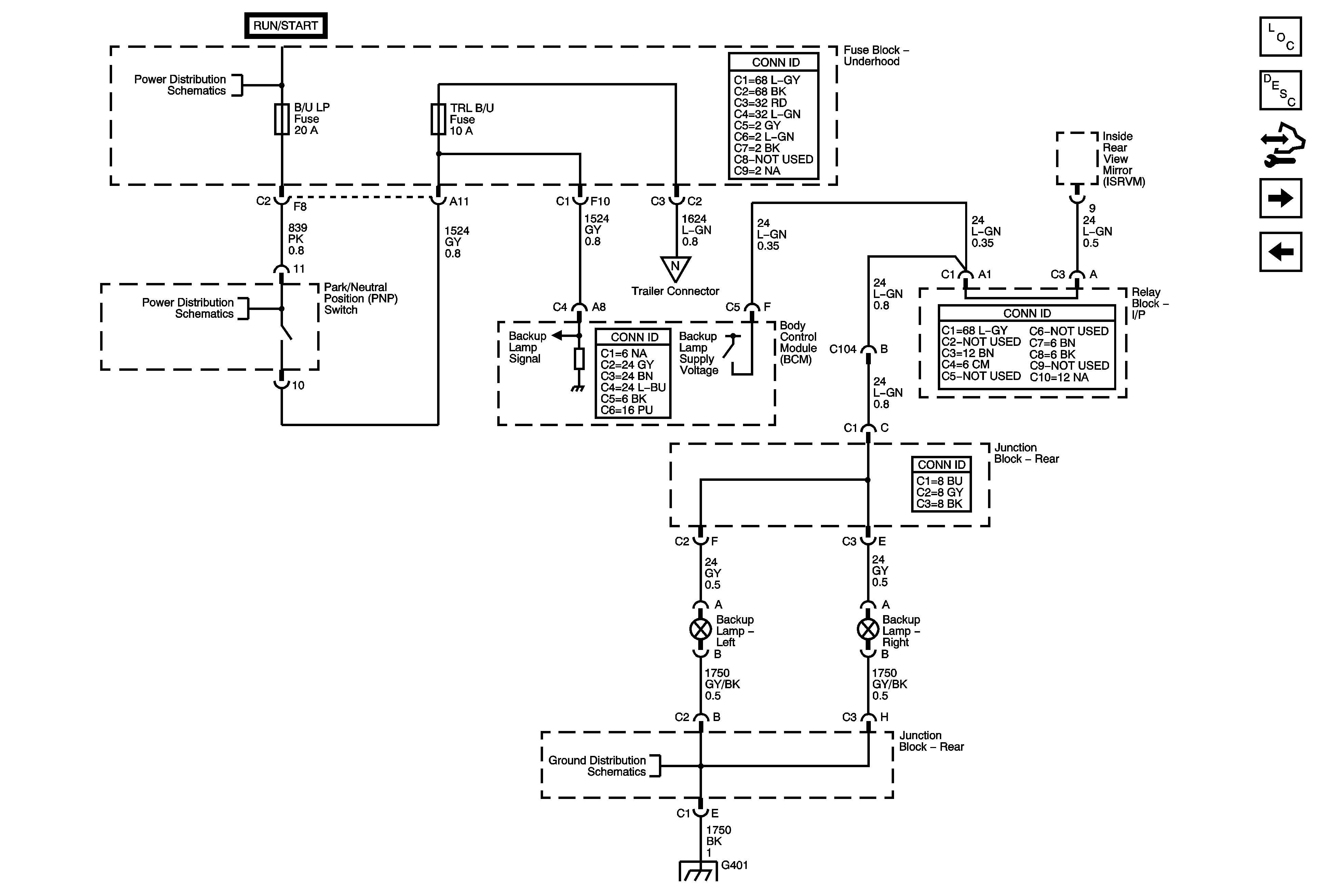
🢒 Backup Lamps
Backup Lamps
Backup Lamps
Master Electrical Component List
Exterior Lighting Systems Description and Operation
Control Module References
Trailer Lighting Provisions
Off-Road Lighting - USD
Ignition Switch - ACCY/RUN and RUN/START Bus Bars, and IGN B Fuse
B/U LP, BTSI, O2A, O2B, TBC IGN1, and TRL B/U Fuses
Trailer Lighting Provisions
G300, G310, G401, and G403
G300, G310, G401, and G403