GM Service Manual Online
For 1990-2009 cars only
Makes
🢒
HUMMER
🢒
2007
🢒
H2
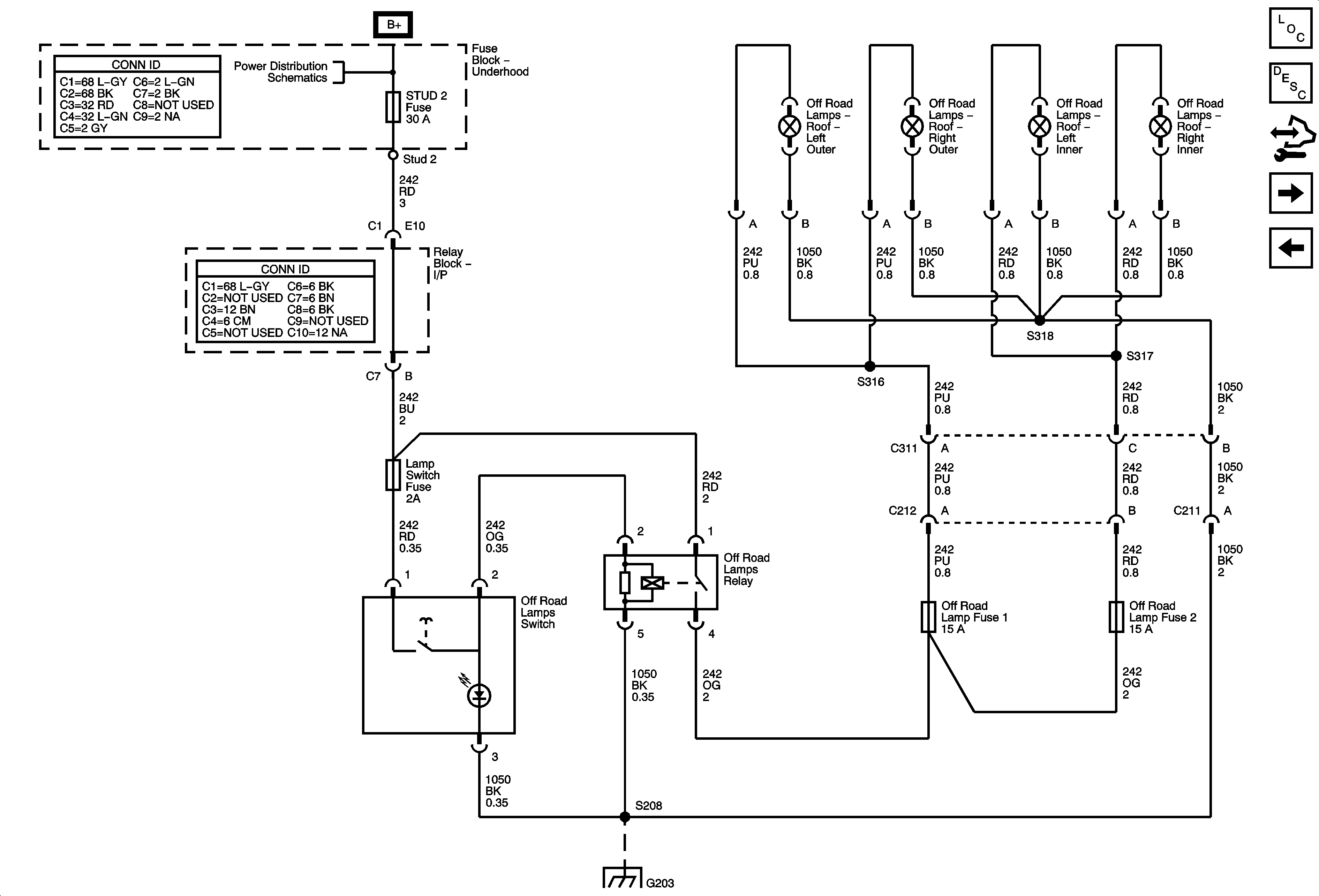
🢒 Off-Road Lighting - USD
Off-Road Lighting - USD
Off-Road Lights (USD)
Master Electrical Component List
Exterior Lighting Systems Description and Operation
Control Module References
Backup Lamps
Off-Road Lights - USB, USC, UNR
B+ Bus
G203 - 2 of 3