GM Service Manual Online
For 1990-2009 cars only
Makes
🢒
HUMMER
🢒
2007
🢒
H2
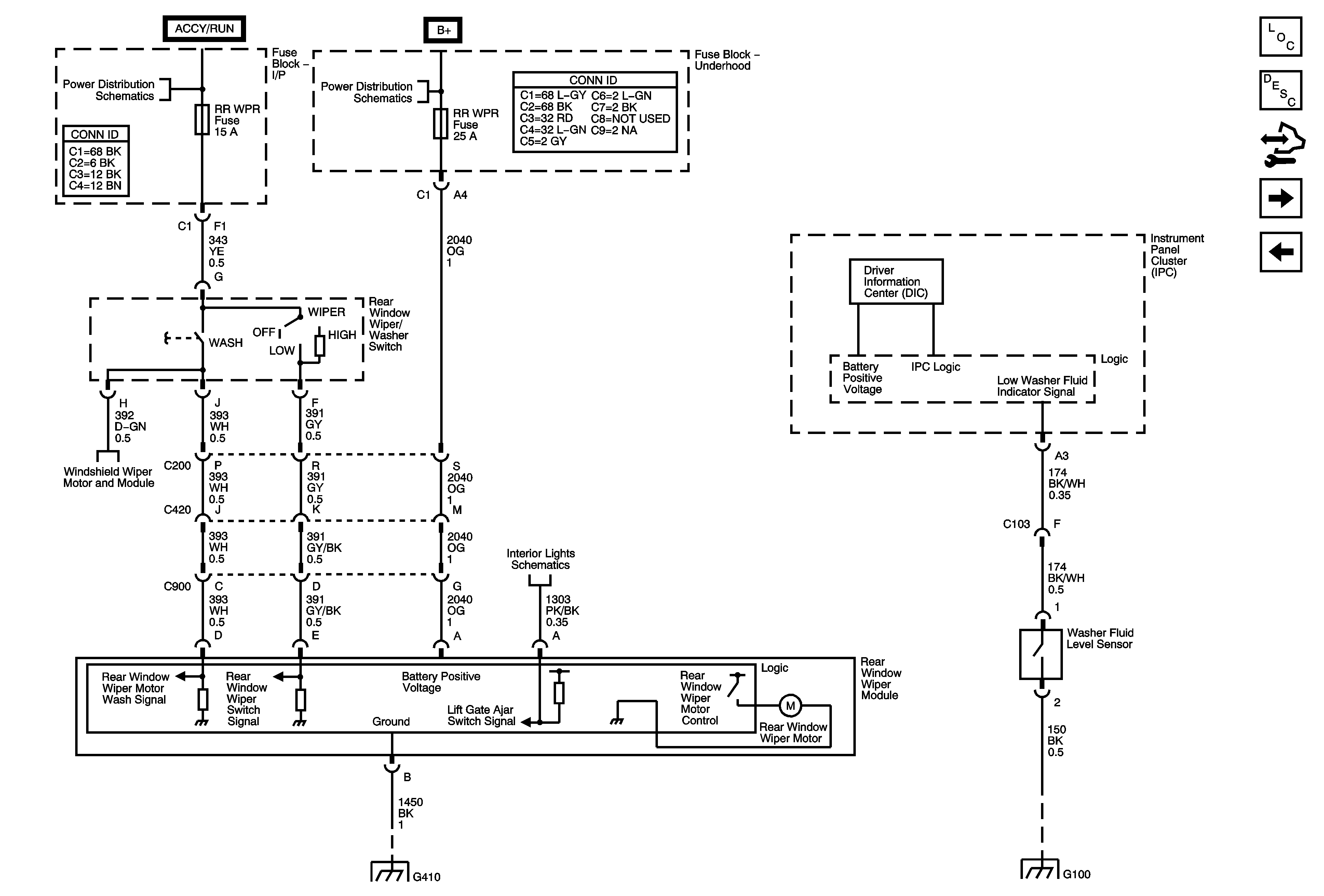
🢒 Rear Wiper/Washer Controls and Washer Fluid Level Sensor
Rear Wiper/Washer Controls and Washer Fluid Level Sensor
Rear Wiper Controls and Washer Fluid Level Sensor
Master Electrical Component List
Wiper/Washer System Description and Operation
Control Module References
Heated Washers - 1 of 2
Front Wiper/Washer Controls
Ignition Switch - ACCY/RUN and RUN/START Bus Bars, and IGN B Fuse
Front Wiper/Washer Power, Ground, and Motors
B+ Bus
Interior Lights Controls, BCM, and Door Ajar Switches
G100 and G105
G402, G405, and G410