GM Service Manual Online
For 1990-2009 cars only
Makes
🢒
HUMMER
🢒
2007
🢒
H2
🢒 Courtesy Lamps - Headliner
Courtesy Lamps - Headliner
Courtesy Lamps - Headliner
Master Electrical Component List
Interior Lighting Systems Description and Operation
Control Module References
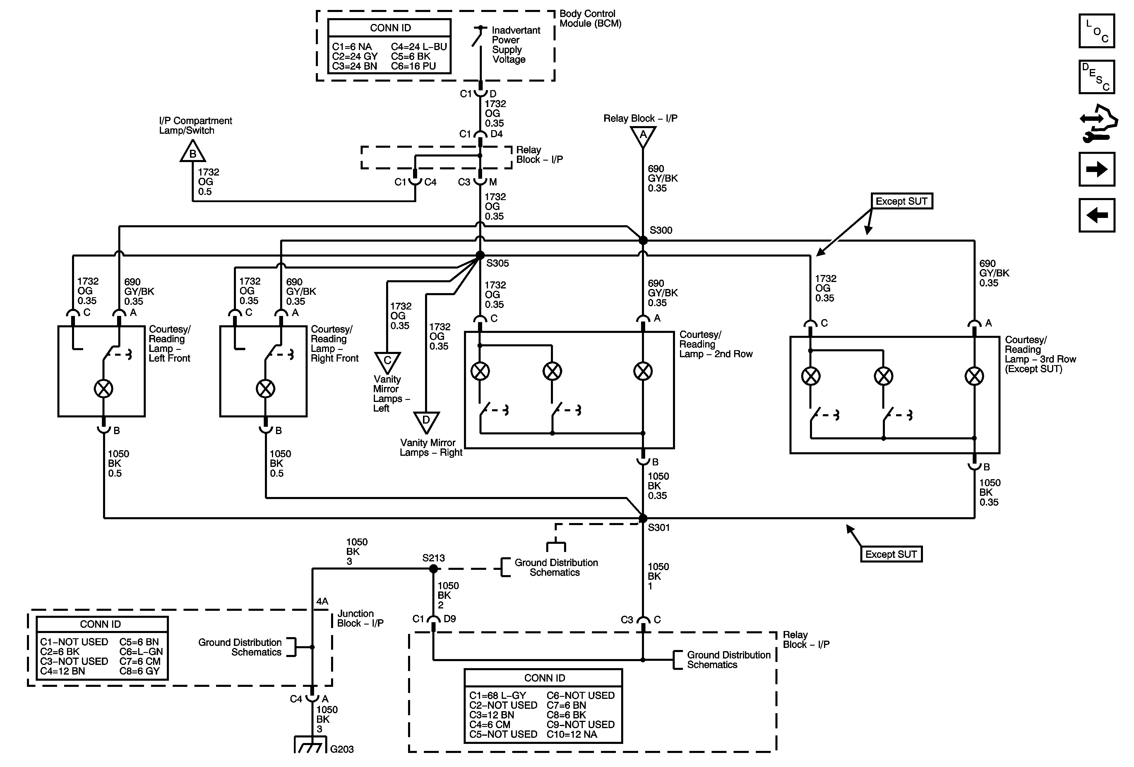
07 H2 Interior Lights Schematics - Courtesy Lamps - Front Doors, Vanity Mirrors, and I/P Compartment Lamp
Courtesy Lamps - Rear Doors and B-Pillars
07 H2 Interior Lights Schematics - Courtesy Lamps - Front Doors, Vanity Mirrors, and I/P Compartment Lamp
07 H2 Interior Lights Schematics - Courtesy Lamps - Front Doors, Vanity Mirrors, and I/P Compartment Lamp
Courtesy Lamps - Rear Doors and B-Pillars
G203 - 2 of 3
G203 - 2 of 3
G203 - 1 of 3
G203 - 1 of 3