GM Service Manual Online
For 1990-2009 cars only
Makes
🢒
HUMMER
🢒
2007
🢒
H2
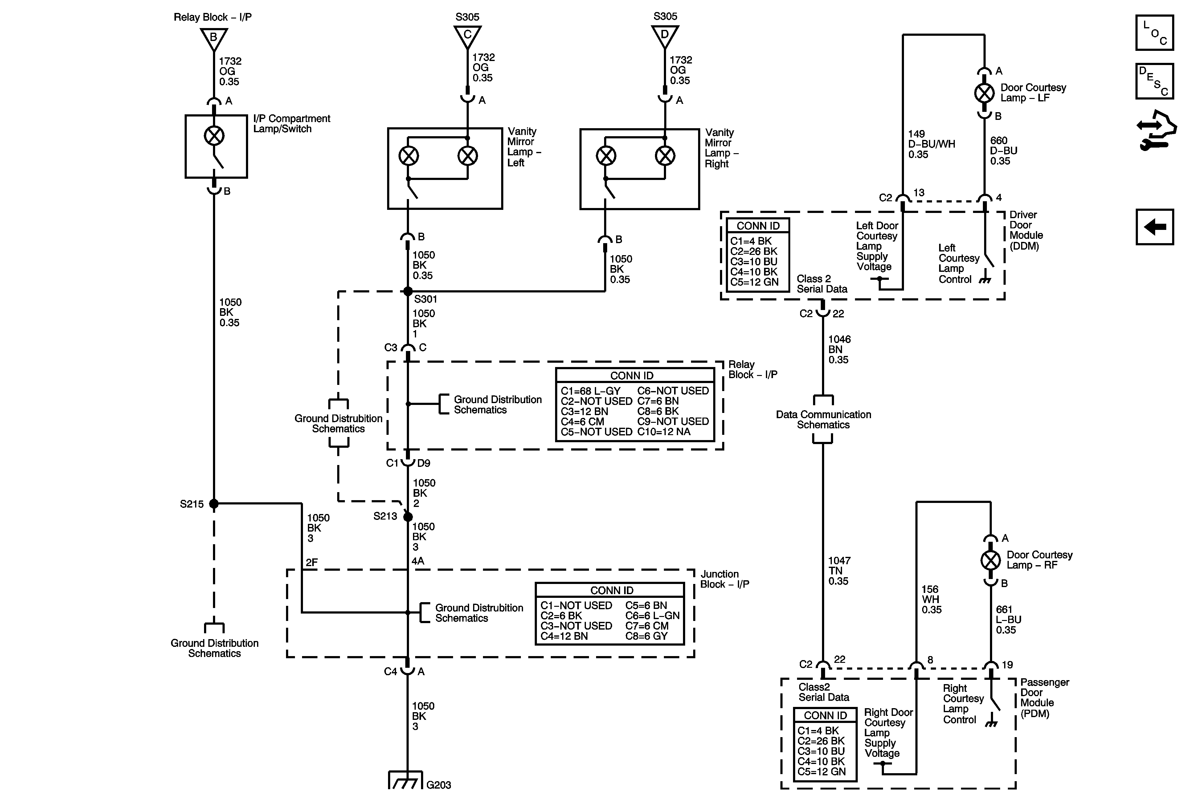
🢒 07 H2 Interior Lights Schematics - Courtesy Lamps - Front Doors, Vanity Mirrors, and I/P Compartment Lamp
07 H2 Interior Lights Schematics - Courtesy Lamps - Front Doors, Vanity Mirrors, and I/P Compartment Lamp
Courtesy Lamps - Front Doors, Vanity Mirrors, and I/P Compartment Lamp
Master Electrical Component List
Interior Lighting Systems Description and Operation
Control Module References
Courtesy Lamps - Headliner
Courtesy Lamps - Headliner
G203 - 2 of 3
G203 - 2 of 3
Power, Ground, DLC and Splice Pack SP205
G203 - 1 of 3
G203 - 1 of 3
G203 - 1 of 3