GM Service Manual Online
For 1990-2009 cars only
Makes
🢒
HUMMER
🢒
2007
🢒
H2
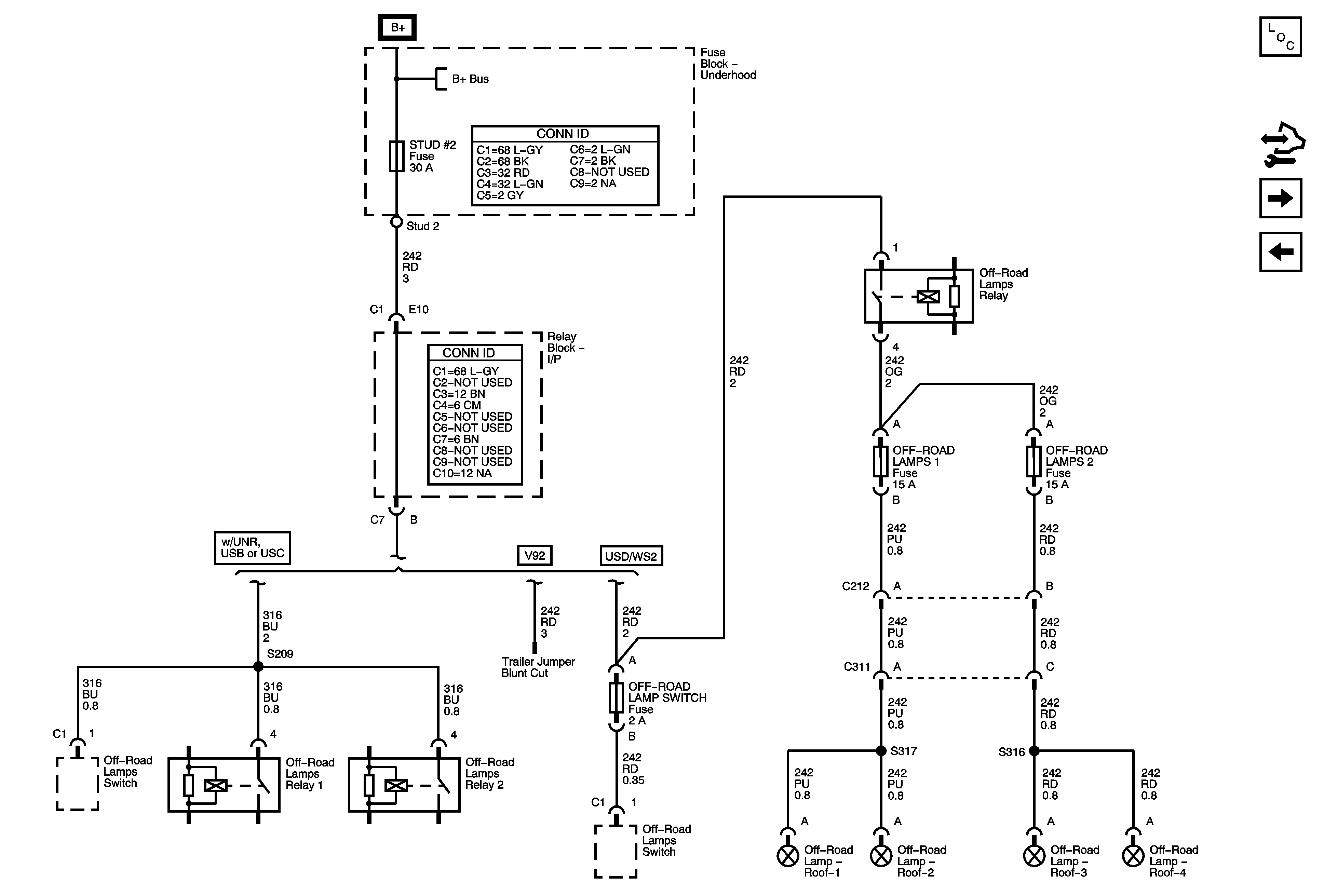
🢒 Stud #2, Off Road Lamp Switch, Off Road Lamps 1, Off Road Lamps 2 Fuses
Stud #2, Off Road Lamp Switch, Off Road Lamps 1, Off Road Lamps 2 Fuses
STUD #2, OFF-ROAD LAMP SWITCH, OFF-ROAD LAMPS 1, OFF-ROAD LAMPS 2 Fuses
Master Electrical Component List
Control Module References
DDM, INFO, LBEC1, LBEC2, LGATE, LOCKS, PDM, TBC 2A, TBC 2B, and TBC 2C Fuses and LEFT DOOR and MIDGATE Circuit Breakers
ABS, BLOWER, MBEC, STUD 1, STUD2, and VESE/ECAS Fuses and RT DOORS and SEATS Circuit Breakers
B+ Bus