GM Service Manual Online
For 1990-2009 cars only
Makes
🢒
HUMMER
🢒
2007
🢒
H2
🢒 Memory Controls
Memory Controls
Memory Controls
Master Electrical Component List
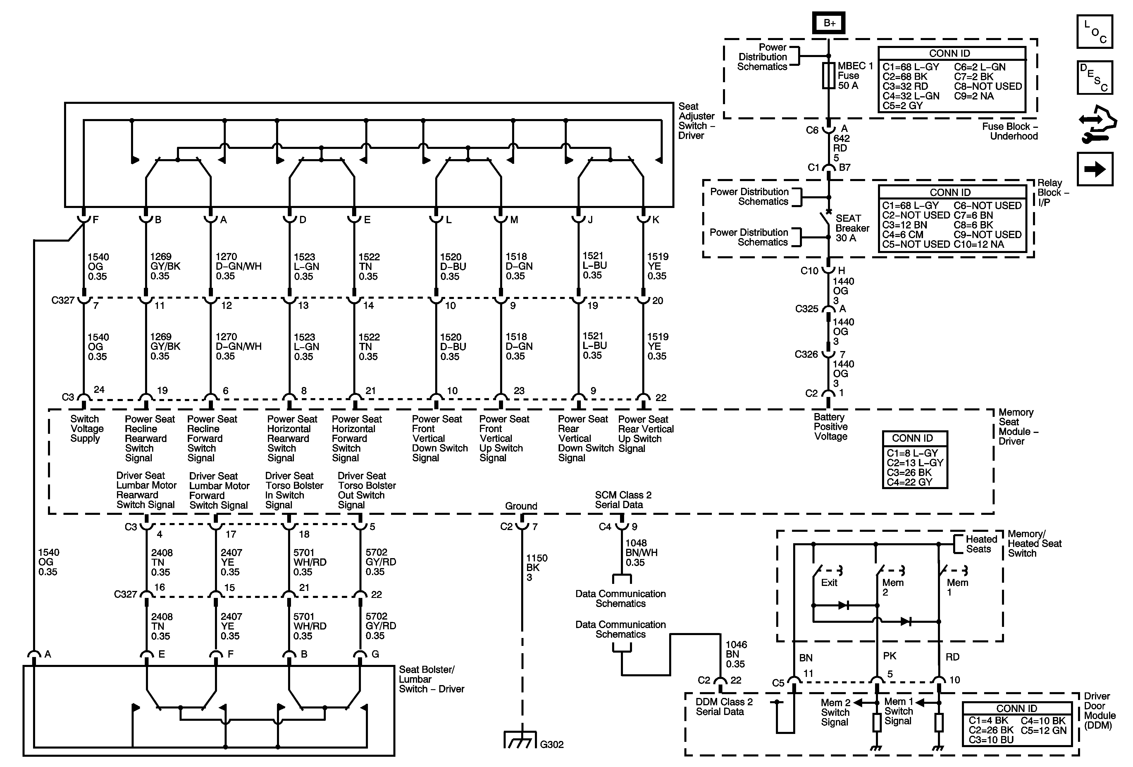
Memory Seats Description and Operation
Control Module References
Position Sensors and Motors
B+ Bus
ABS, BLOWER, MBEC, STUD 1, STUD2, and VESE/ECAS Fuses and RT DOORS and SEATS Circuit Breakers
Heated Driver Seat
SP206 and SP207
Power, Ground, DLC and Splice Pack SP205
G302, G304, and G306