GM Service Manual Online
For 1990-2009 cars only
Figure 1:

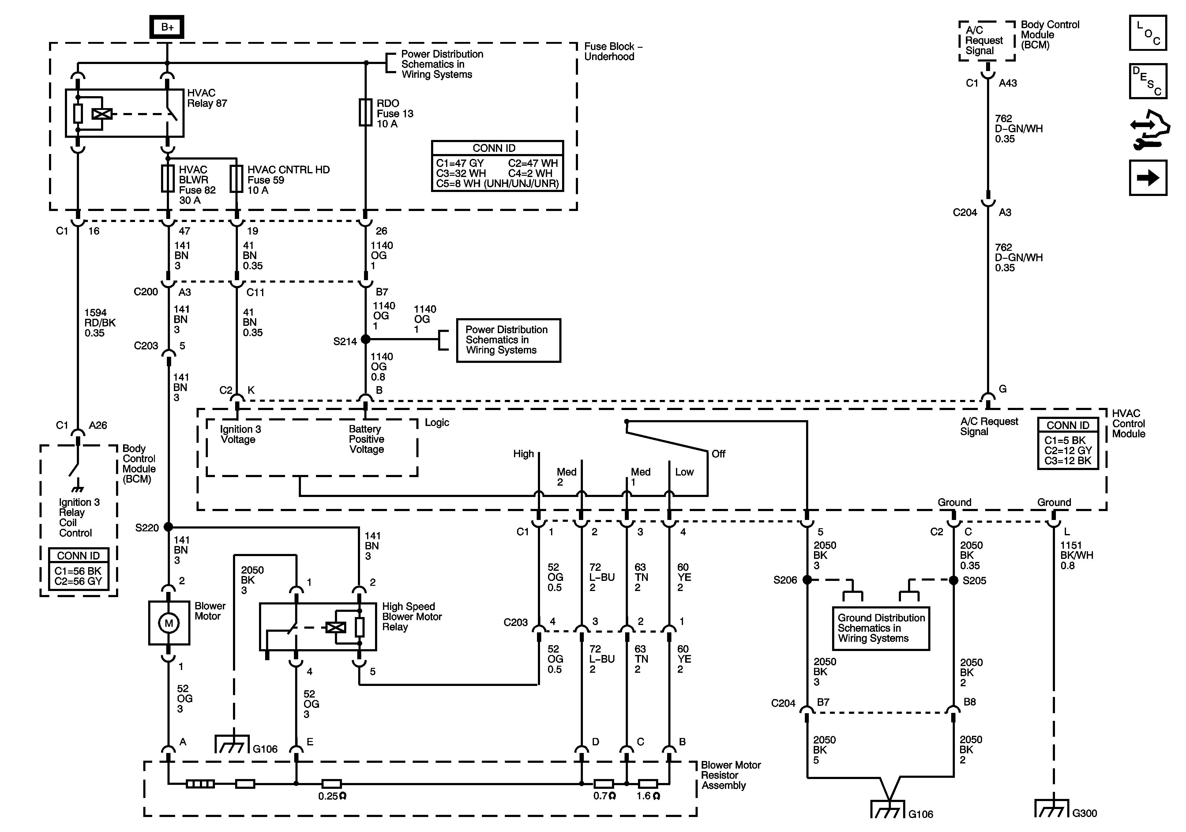
Module Power, Ground, and Blower Motor


Object Number: 1566417  Size: FS
Master Electrical Component List
Air Delivery Description and Operation
Control Module References
Mode, Recirculation, and Temperature Controls
B+ Bus - Underhood Fuse Block - 1 of 2
ABS/VSES1-SOL, ABS/VSES2-MTR, AUX PWR 1, AUX PWR 2, CLSTR, CNSTR VENT, PCM-B, RDO, STOP, and TCCM Fuses
G106
G106
G300, G310, and G320
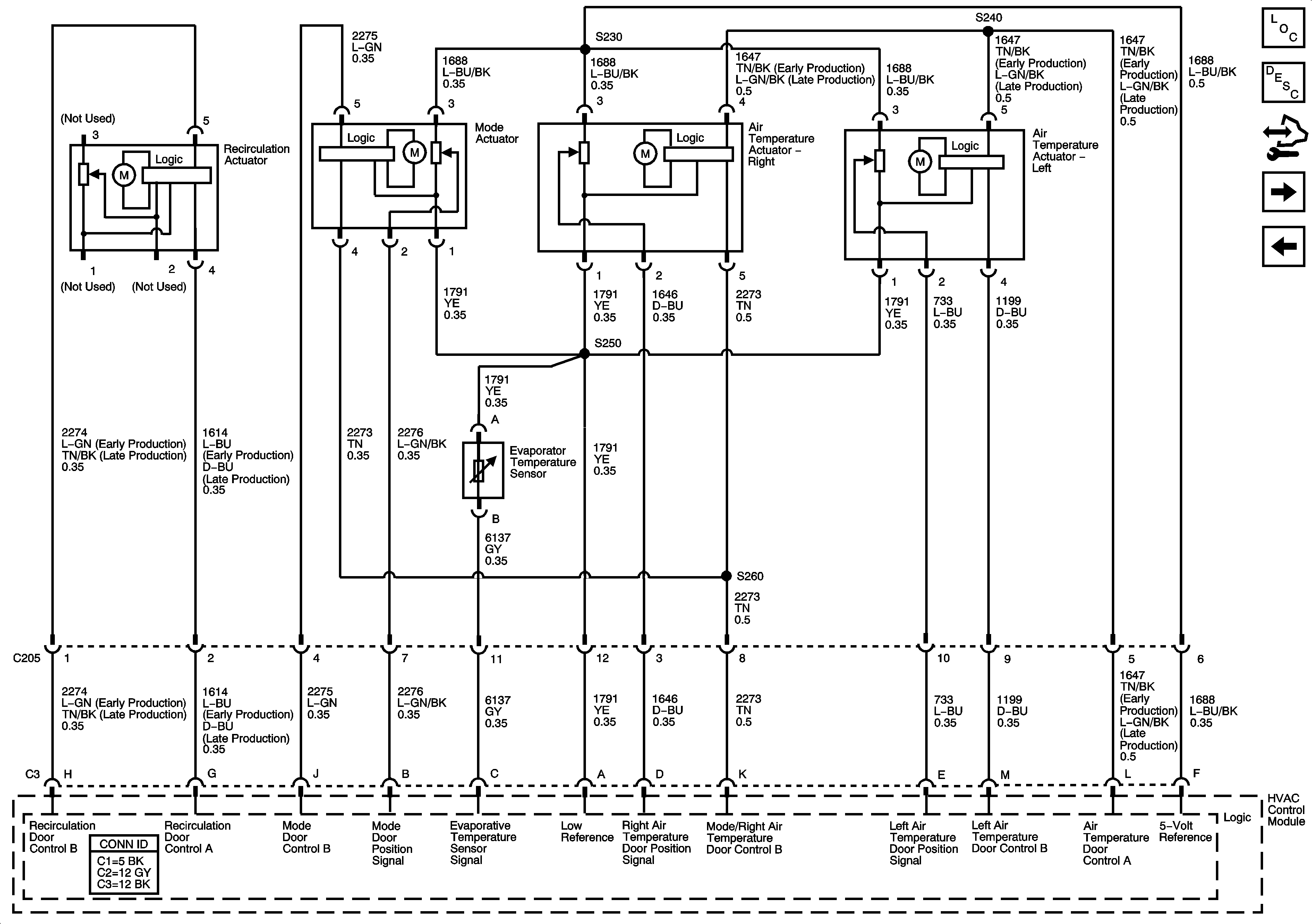
Figure 2:

Mode, Recirculation, and Temperature Controls


Object Number: 1566421  Size: FS
Master Electrical Component List
Air Delivery Description and Operation
Control Module References
Compressor COntrols
Module Power, Ground, and Blower Motor
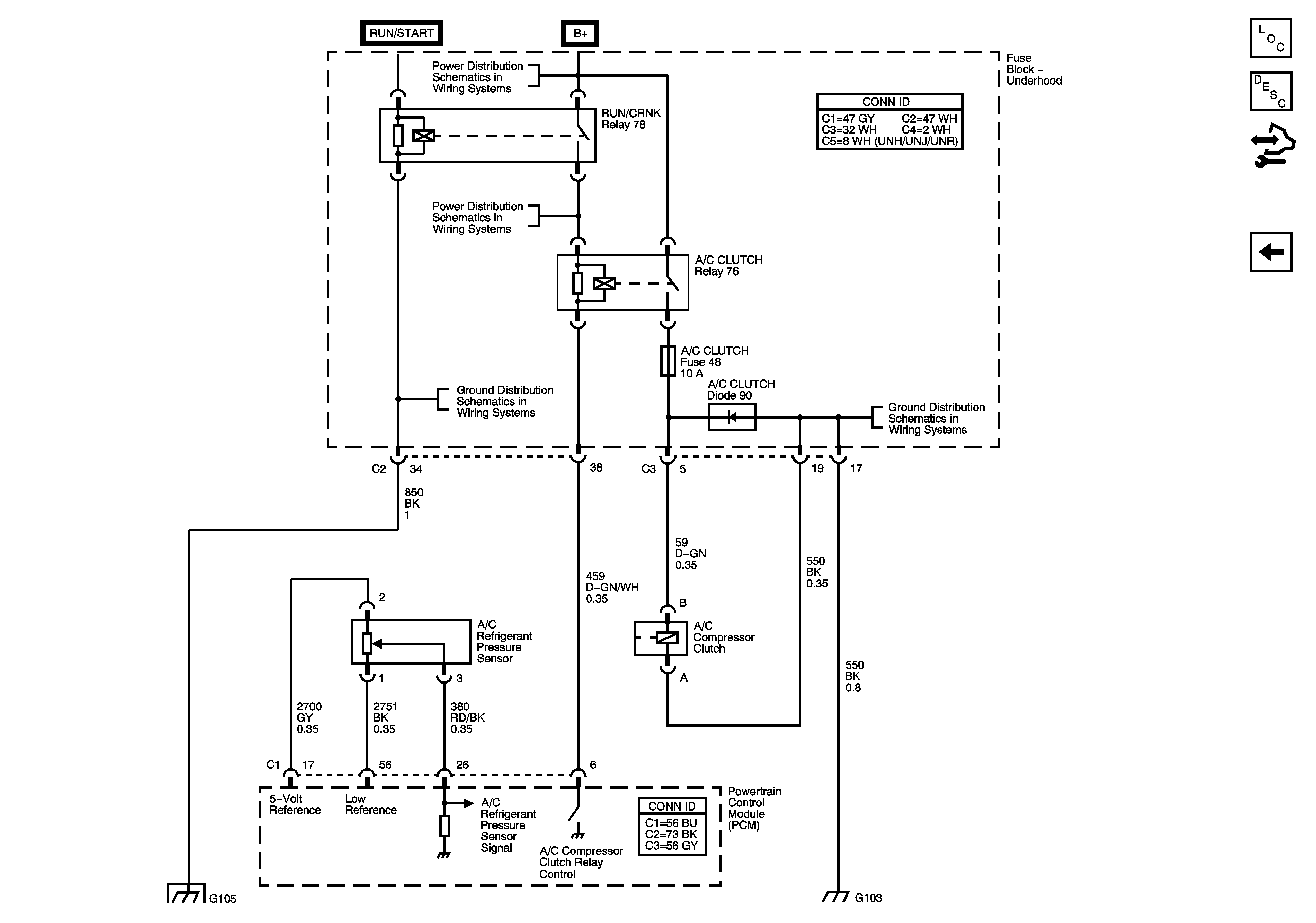
Figure 3:

Compressor Controls


Object Number: 1566425  Size: FS
Master Electrical Component List
Air Delivery Description and Operation
Control Module References
Mode, Recirculation, and Temperature Controls
B+ Bus - Underhood Fuse Block - 1 of 2
RUN/CRNK Relay Bus - 1 of 3, AIRBAG, CRUISE/MISC, and TRANS Fuses
G105
G100, G102, G103, G104, G110, and G120
G105
G100, G102, G103, G104, G110, and G120