GM Service Manual Online
For 1990-2009 cars only
Makes
🢒
HUMMER
🢒
2006
🢒
H3
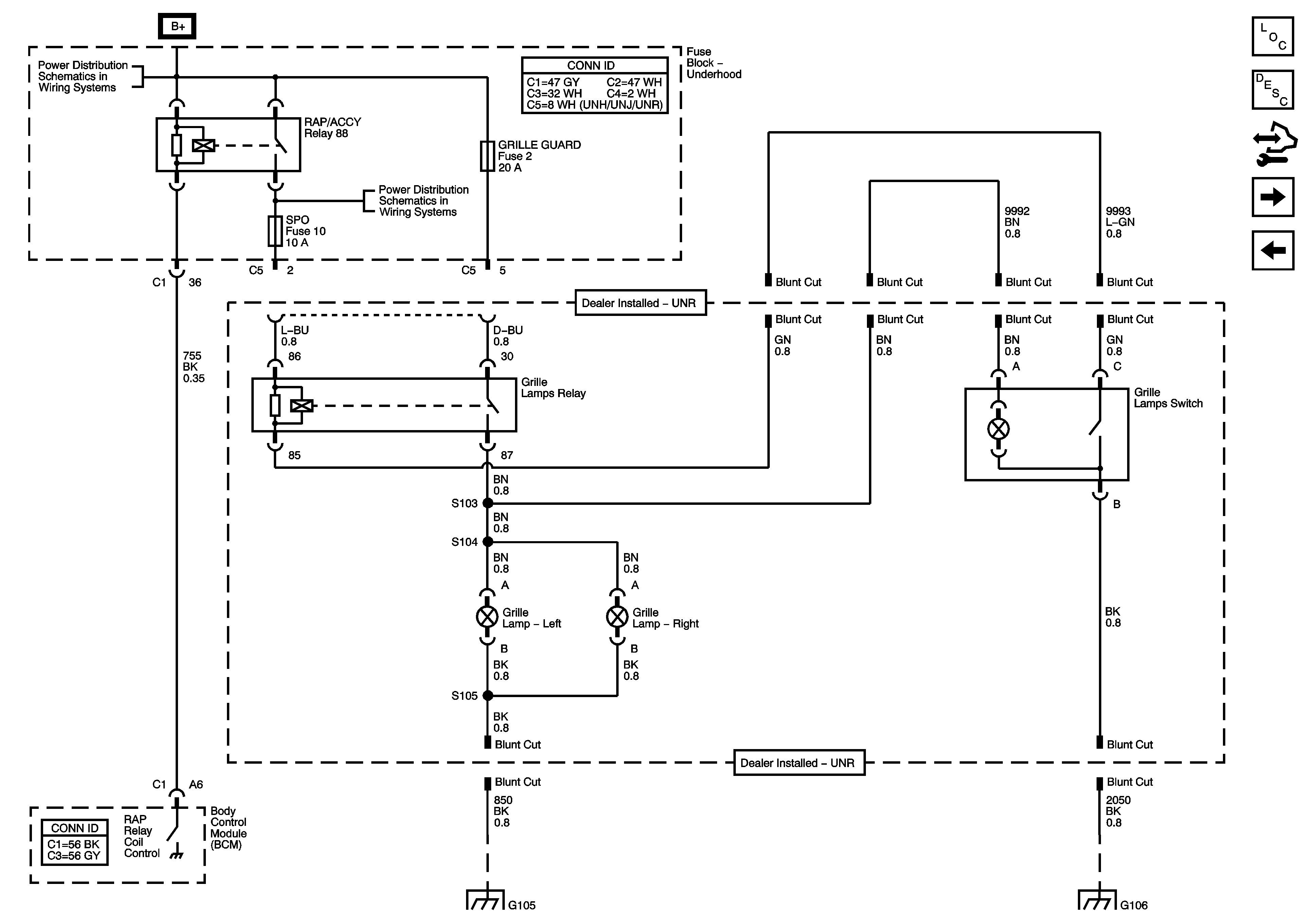
🢒 Grille Mounted Off Road Lamps - UNR
Grille Mounted Off Road Lamps - UNR
Grille Mounted Off Road Lamps - UNR
Master Electrical Component List
Exterior Lighting Systems Description and Operation
Control Module References
Roof Mounted Off Road Lamps - UNJ
Center High Mount Stop Lamps (CHMSL) and Stop Lamp Switch
B+ Bus - Underhood Fuse Block - 1 of 2
ETC, LH PWR WNDW, OXY SENSOR, PWR SNRF/WPR/SW, REAR WPR, RH PWR WNDW, RR WSH PMP, and SPO OUTPUT Fuses
G105
G106