GM Service Manual Online
For 1990-2009 cars only
Makes
🢒
HUMMER
🢒
2006
🢒
H3
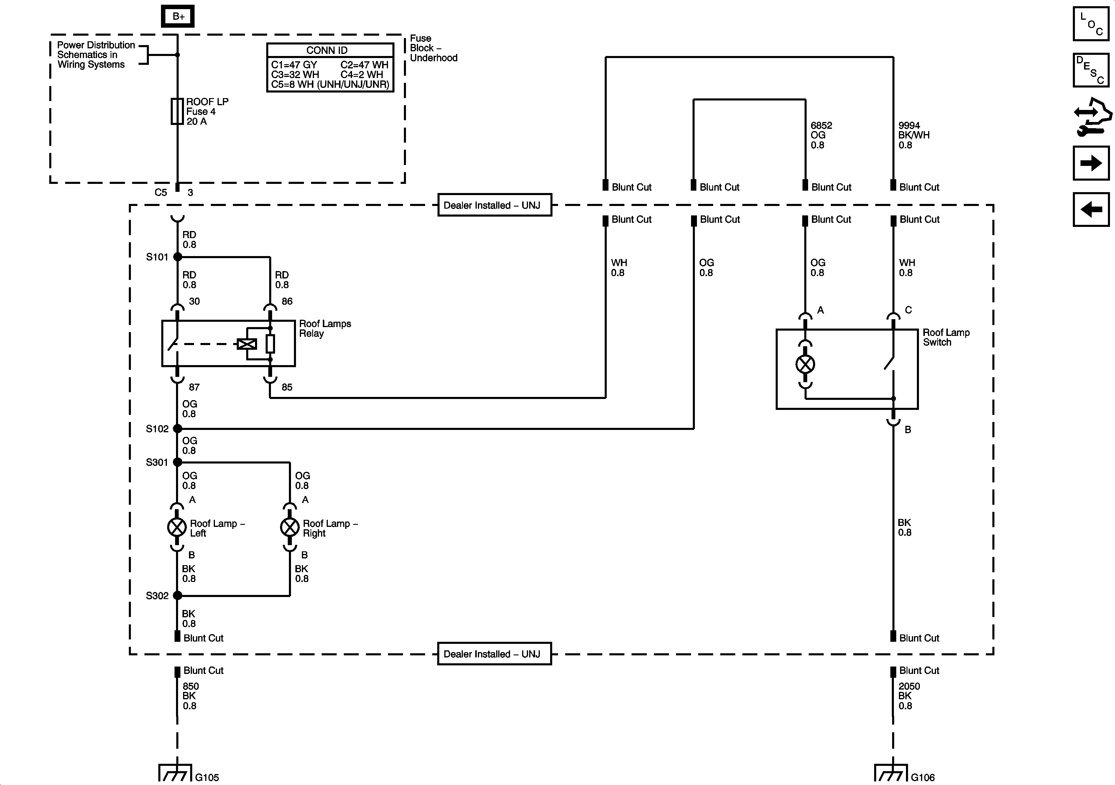
🢒 Roof Mounted Off Road Lamps - UNJ
Roof Mounted Off Road Lamps - UNJ
Roof Mounted Off Road Lamps - UNJ
Master Electrical Component List
Exterior Lighting Systems Description and Operation
Control Module References
Backup Lamps
Grille Mounted Off Road Lamps - UNR
B+ Bus - Underhood Fuse Block - 1 of 2
G105
G106