GM Service Manual Online
For 1990-2009 cars only
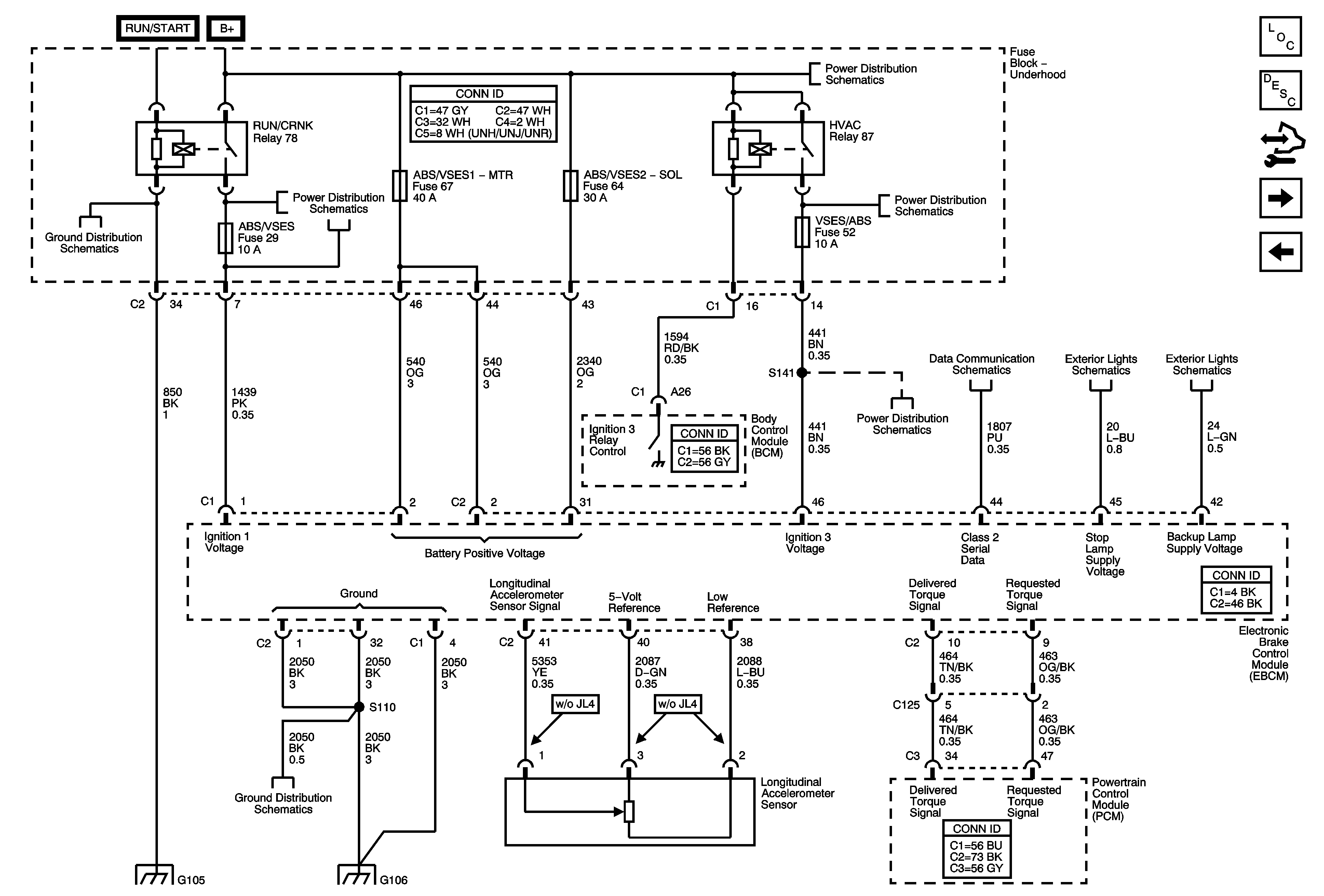
Figure 1:

Power, Ground, and Electronic Brake Control Module (EBCM)


Object Number: 1777591  Size: FS
Master Electrical Component List
ABS Description and Operation
Control Module References
Wheel Speed Sensors
G105
RUN/CRNK Relay Bus - 2 of 3, ABS/VSES, A/C CLUTCH, BCK/UP, and IGN1 Fuses
B+ Bus - Underhood Fuse Block - 1 of 2
HVAC BLWR, HVAC CNTRL HD, PWR HTR SWTCH, TCCM SWTCH, and VSES/ABS Fuses
HVAC BLWR, HVAC CNTRL HD, PWR HTR SWTCH, TCCM SWTCH, and VSES/ABS Fuses
Data Link Connector (DLC) Schematics
Center High Mount Stop Lamps (CHMSL) and Stop Lamp Switch
Backup Lamps
G105
G105
Figure 2:

Power, Ground, and Electronic Brake Control Module (EBCM) - RHD


Object Number: 1891189  Size: FS
Master Electrical Component List
ABS Description and Operation
Control Module References
Wheel Speed Sensors
Power, Ground, and Electronic Brake Control Module (EBCM)
G105 - Export + RHD
RUN/CRNK Relay Bus - 2 of 3, ABS/VSES, A/C CLUTCH, BCK/UP, and IGN1 Fuses
B+ Bus - Underhood Fuse Block - 1 of 2
HVAC BLWR, HVAC CNTRL HD, PWR HTR SWTCH, TCCM SWTCH, and VSES/ABS Fuses
HVAC BLWR, HVAC CNTRL HD, PWR HTR SWTCH, TCCM SWTCH, and VSES/ABS Fuses
Data Link Connector (DLC) Schematics
Center High Mount Stop Lamps (CHMSL) and Stop Lamp Switch
Backup Lamps
G106 - Export + RHD
G105 - Export + RHD
G106 - Export + RHD
Figure 3:

Wheel Speed Sensors


Object Number: 1777636  Size: FS
Master Electrical Component List
ABS Description and Operation
Control Module References
Steering Wheel Position Sensor and Yaw Rate/Lateral and Longitudinal Accelerometer Sensor w/JL4
Power, Ground, and Electronic Brake Control Module (EBCM)
Antilock Brake System Schematic Icons
Antilock Brake System Schematic Icons
Antilock Brake System Schematic Icons
Figure 4:

Steering Wheel Position Sensor and Yaw Rate/Lateral and Longitudinal Accelerometer Sensor w/JL4


Object Number: 1777658  Size: FS
Master Electrical Component List
ABS Description and Operation
Control Module References
Indicator Lamps and Traction Control Switch
Wheel Speed Sensors
B+ Bus - Underhood Fuse Block - 1 of 2
HVAC BLWR, HVAC CNTRL HD, PWR HTR SWTCH, TCCM SWTCH, and VSES/ABS Fuses
HVAC BLWR, HVAC CNTRL HD, PWR HTR SWTCH, TCCM SWTCH, and VSES/ABS Fuses
Antilock Brake System Schematic Icons
G300, G310, and G320
Figure 5:

Indicator Lamps and Traction Control Switch


Object Number: 1777716  Size: FS
Master Electrical Component List
ABS Description and Operation
Control Module References
Steering Wheel Position Sensor and Yaw Rate/Lateral and Longitudinal Accelerometer Sensor w/JL4
Data Link Connector (DLC) Schematics
G106