GM Service Manual Online
For 1990-2009 cars only
Makes
🢒
HUMMER
🢒
2007
🢒
H3
🢒
Brakes
🢒
Hydraulic Brakes
🢒 Hydraulic Brake Schematics
Master Electrical Component List
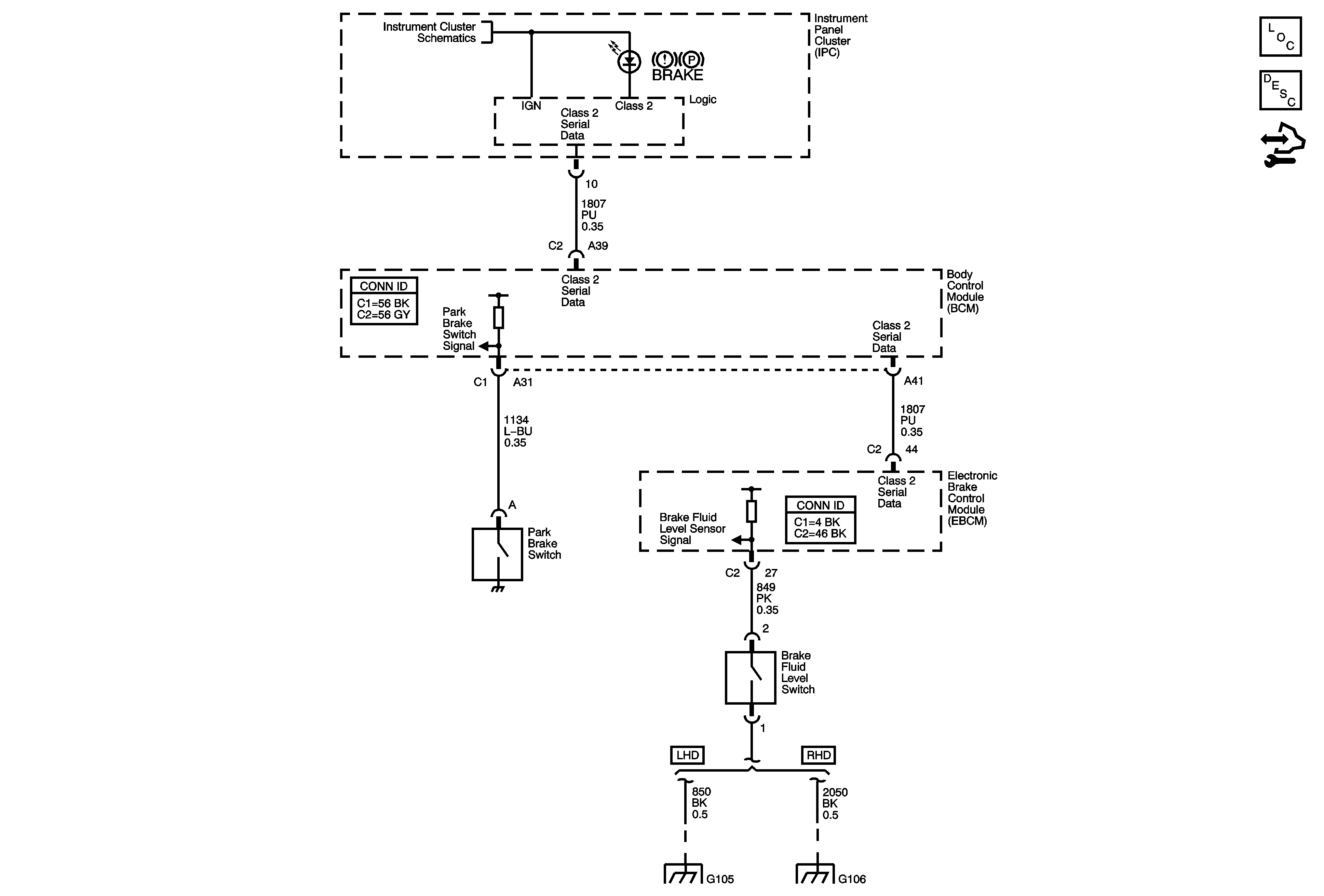
Brake Warning System Description and Operation
Control Module References
Indicators
G105