GM Service Manual Online
For 1990-2009 cars only
Makes
🢒
HUMMER
🢒
2007
🢒
H3
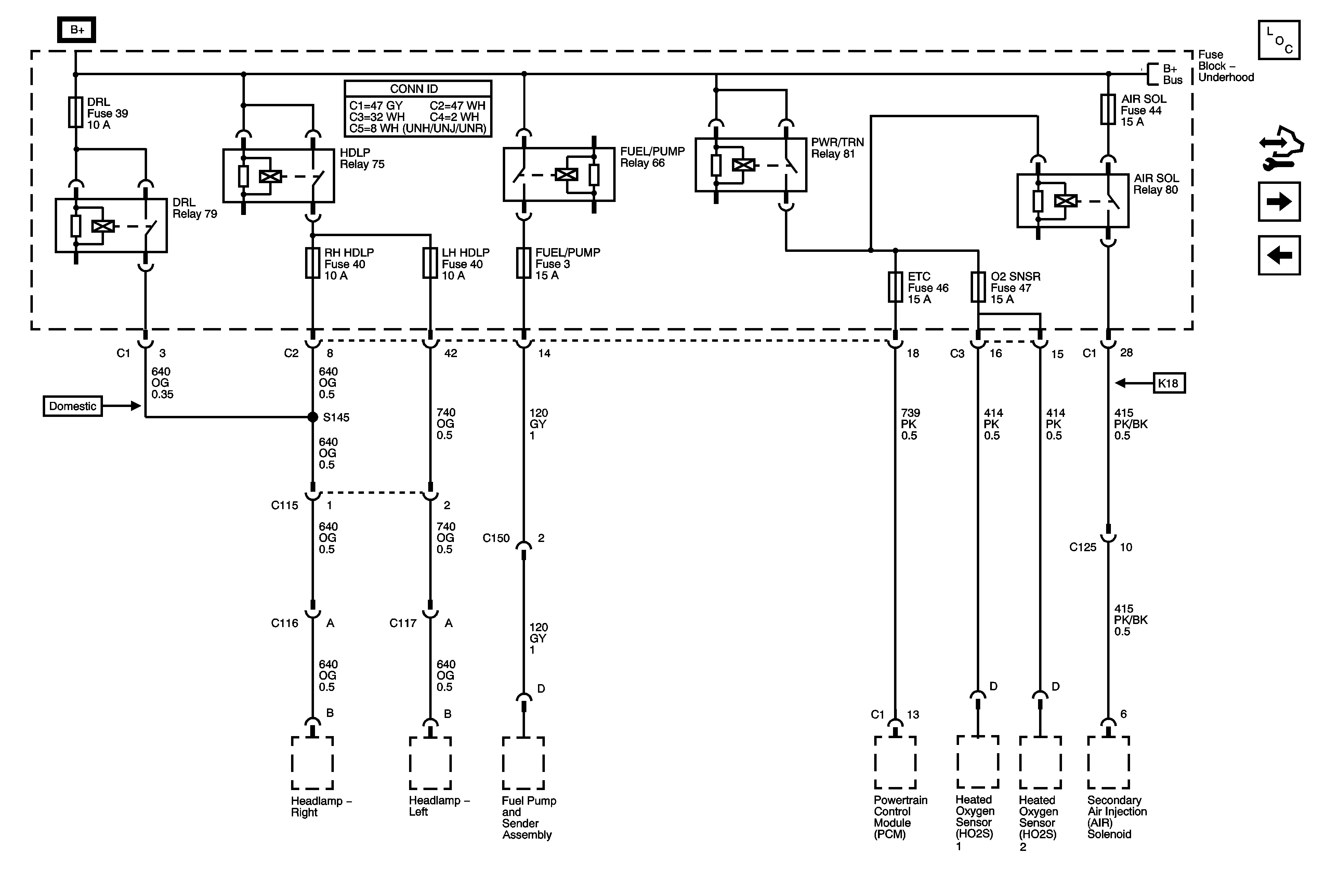
🢒 FUEL/PUMP, LH HDLP, and RH HDLP Fuses
FUEL/PUMP, LH HDLP, and RH HDLP Fuses
ETC, O2 SNSR, FUEL/PUMP, LH HDLP, and RH HDLP Fuses
Master Electrical Component List
Control Module References
FRT/PRK, LR PRK, RR PRK, and TRLR Fuses
ETC, LT PWR WNDW, O2 SNSR, REAR/WPR MTR, REAR WPR SWTCH/PUMP, RT PWR WNDW, SPO, AND S/ROOF FRT/WPR Fuses
B+ Bus - Underhood Fuse Block - 2 of 2