GM Service Manual Online
For 1990-2009 cars only
Makes
🢒
HUMMER
🢒
2007
🢒
H3
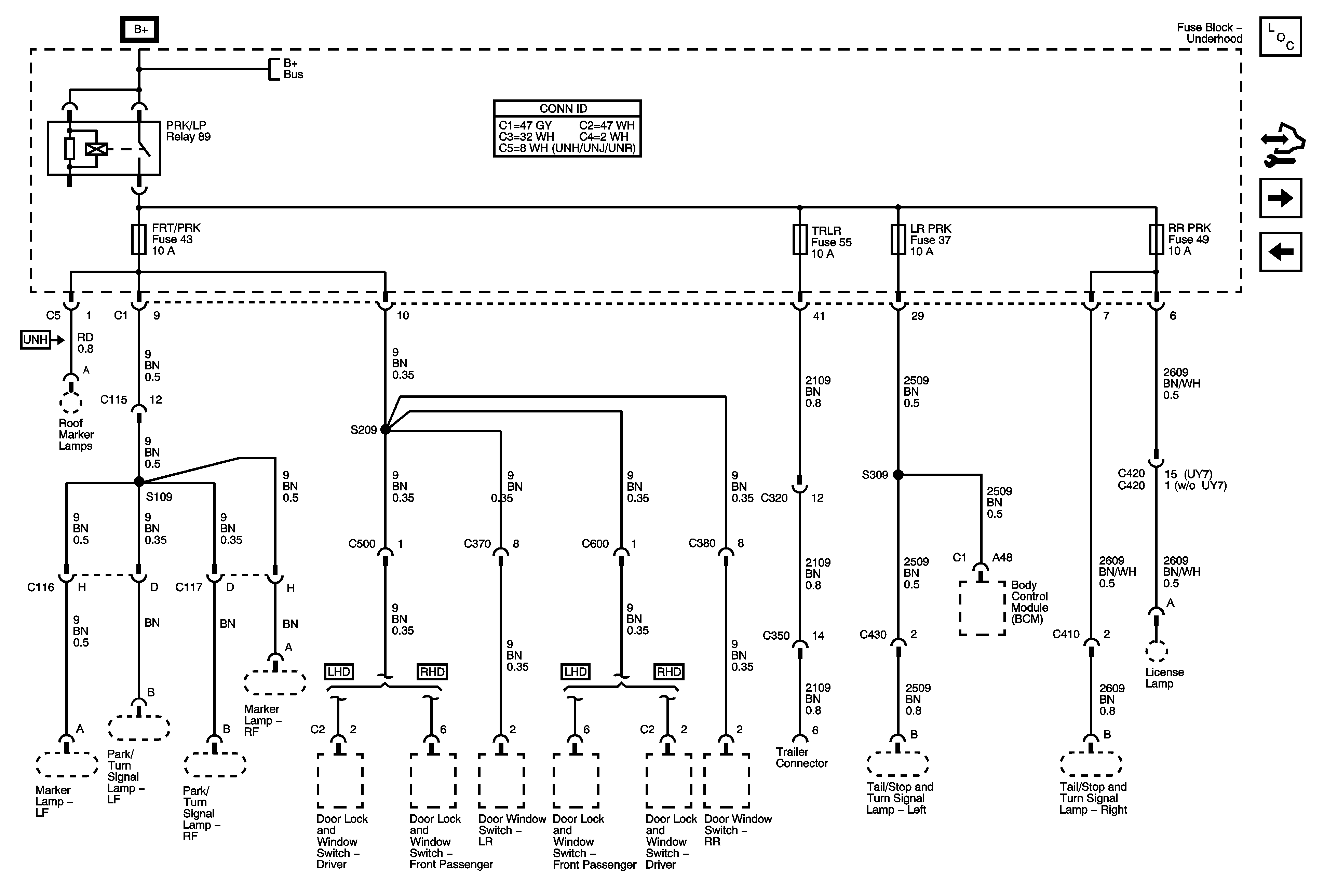
🢒 FRT/PRK, LR PRK, RR PRK, and TRLR Fuses
FRT/PRK, LR PRK, RR PRK, and TRLR Fuses
FRT/PRK, LR PRK, RR PRK, and TRLR Fuses
Master Electrical Component List
Control Module References
HVAC BLWR, HVAC CNTRL HD, PWR HTR SWTCH, TCCM SWTCH, and VSES/ABS Fuses
FUEL/PUMP, LH HDLP, and RH HDLP Fuses
B+ Bus - Underhood Fuse Block - 2 of 2