GM Service Manual Online
For 1990-2009 cars only
Makes
🢒
HUMMER
🢒
2007
🢒
H3
🢒 Starting System - MA5
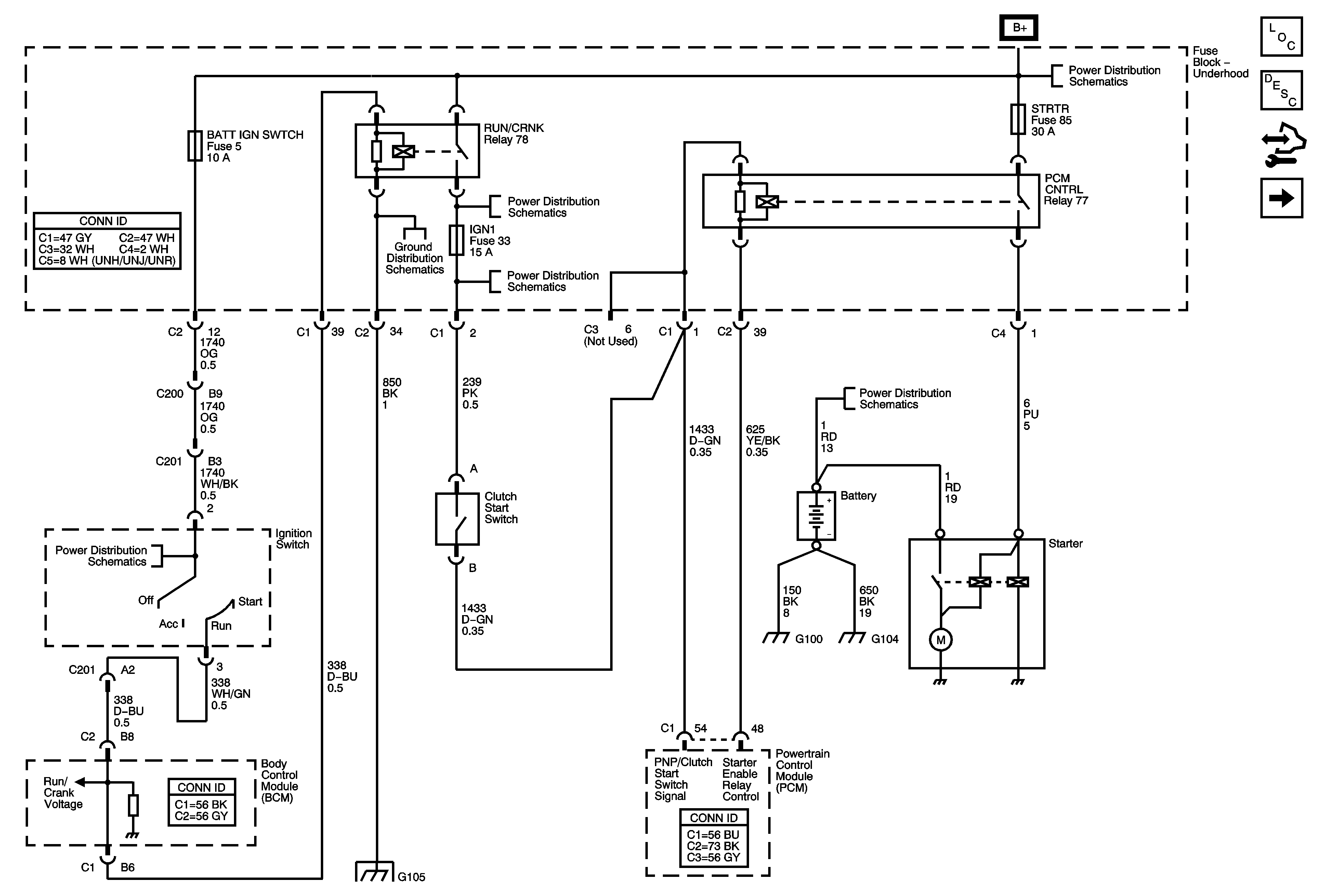
Starting System - MA5
Starting System - MA5
Master Electrical Component List
Starting System Description and Operation
Control Module References
Starting System - M30
RUN/CRNK Relay Bus - 1 of 3, AIRBAG, CRUISE/MISC, and TRANS Fuses
RUN/CRNK Relay Bus - 2 of 3, ABS/VSES, A/C CLUTCH, BCK/UP, and IGN1 Fuses
G105
B+ Bus - Underhood Fuse Block - 2 of 2
B+ Bus - Underhood Fuse Block - 1 of 2
Ignition Switch and BATT IGN SWTCH Fuse
G105