GM Service Manual Online
For 1990-2009 cars only
Makes
🢒
HUMMER
🢒
2007
🢒
H3
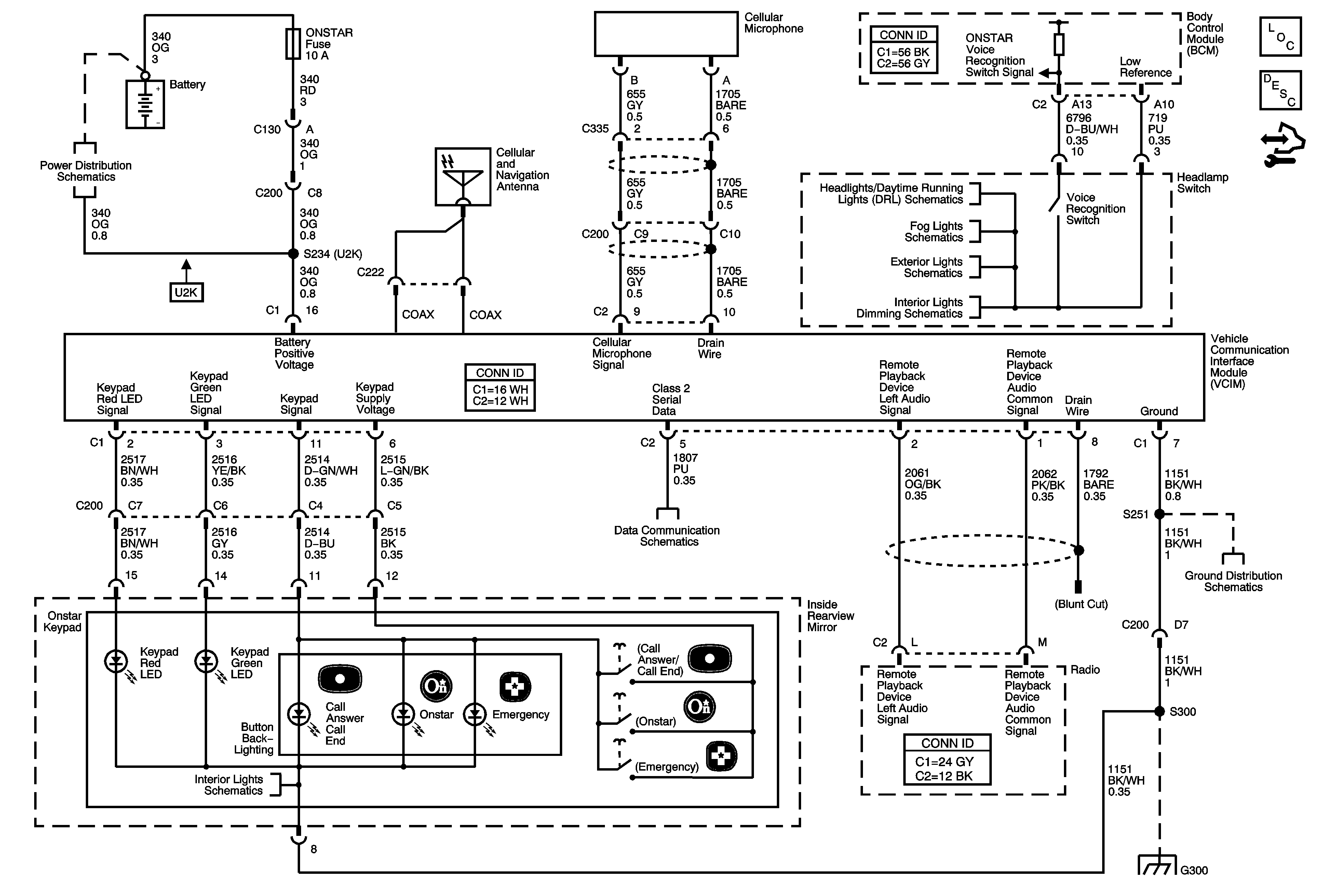
🢒 OnStar Schematics
OnStar Schematics
Master Electrical Component List
OnStar Description and Operation
Control Module References
B+ Bus - Underhood Fuse Block - 1 of 2
Ambient Light Sensor, Headlamp Controls and Switches
Fog Lights Schematics
Hazard Switch, Park Lamp Control, and Turn Signal/Stop Lamp Inputs
Interior Lights Dimming Schematics
Data Link Connector (DLC) Schematics
G300, G310, and G320
Door Jamb Switches
G300, G310, and G320