GM Service Manual Online
For 1990-2009 cars only
Makes
🢒
HUMMER
🢒
2007
🢒
H3
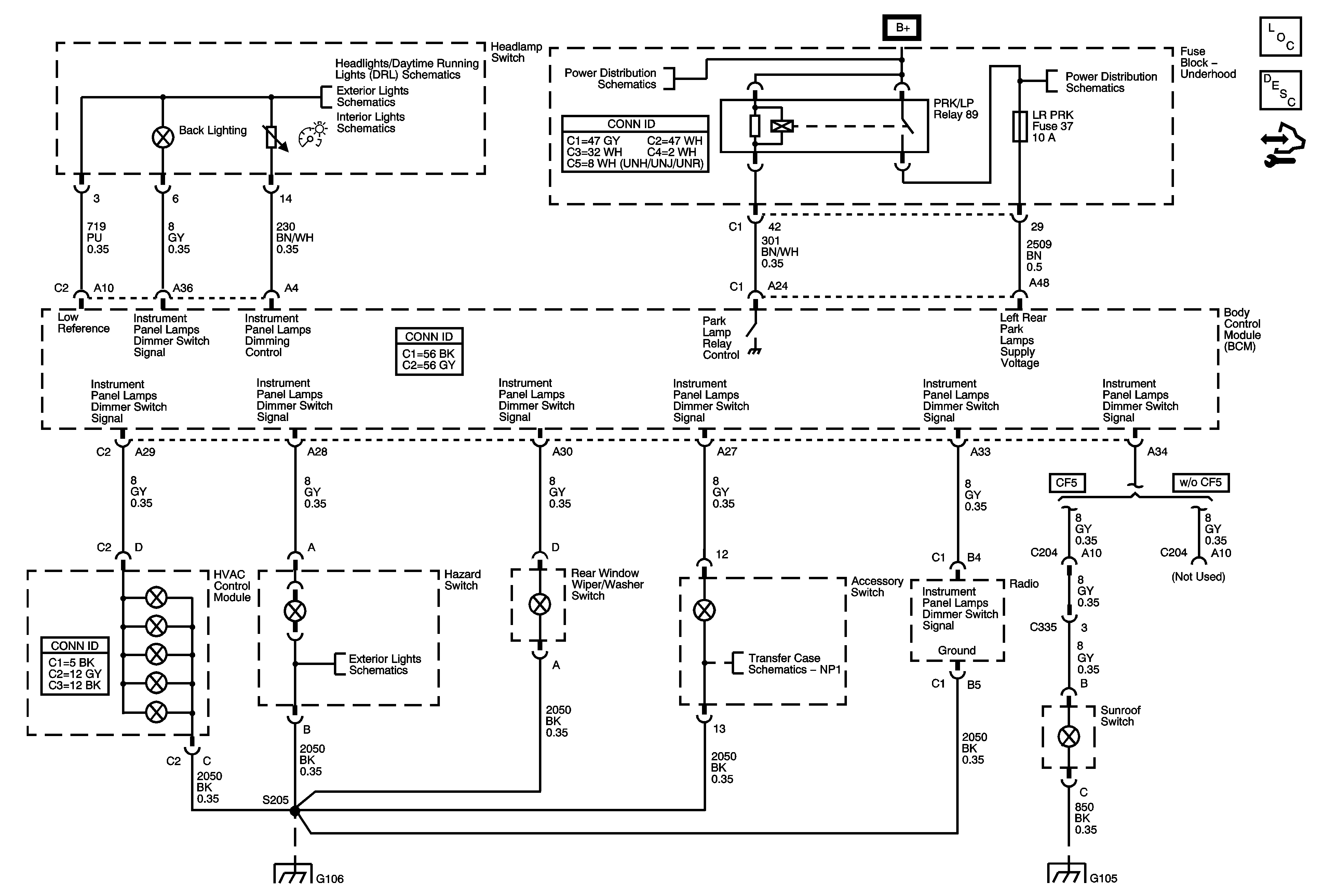
🢒 Interior Lights Dimming Schematics
Interior Lights Dimming Schematics
Master Electrical Component List
Interior Lighting Systems Description and Operation
Control Module References
Ambient Light Sensor, Headlamp Controls and Switches
Hazard Switch, Park Lamp Control, and Turn Signal/Stop Lamp Inputs
Dome Lamp, Footwell Courtesy Lamps, and Vanity Mirror Lamps
B+ Bus - Underhood Fuse Block - 1 of 2
FRT/PRK, LR PRK, RR PRK, and TRLR Fuses
Hazard Switch, Park Lamp Control, and Turn Signal/Stop Lamp Inputs
Shift Control Switch Inputs
G106
G105