GM Service Manual Online
For 1990-2009 cars only
Makes
🢒
HUMMER
🢒
2007
🢒
H3
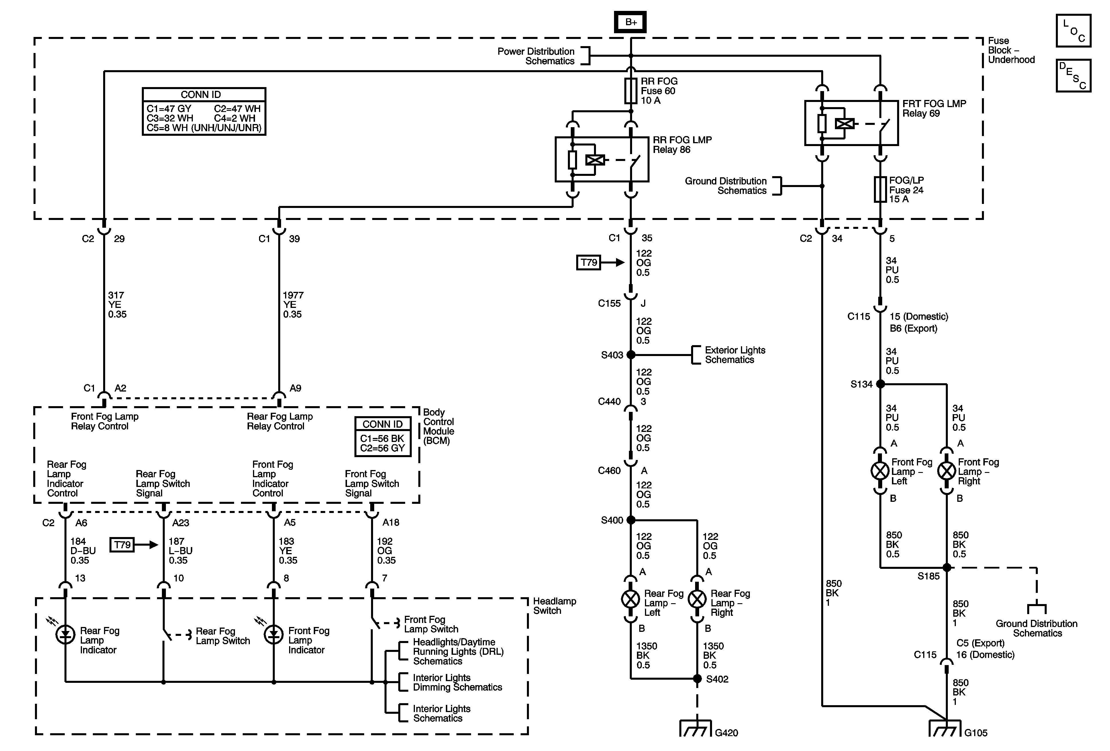
🢒 Fog Lights Schematics
Fog Lights Schematics
Master Electrical Component List
Exterior Lighting Systems Description and Operation
G105
G105
Ambient Light Sensor, Headlamp Controls and Switches
Interior Lights Dimming Schematics
Dome Lamp, Footwell Courtesy Lamps, and Vanity Mirror Lamps
G105
G105