GM Service Manual Online
For 1990-2009 cars only
Makes
🢒
Isuzu
🢒
2004
🢒
Ascender - 2WD
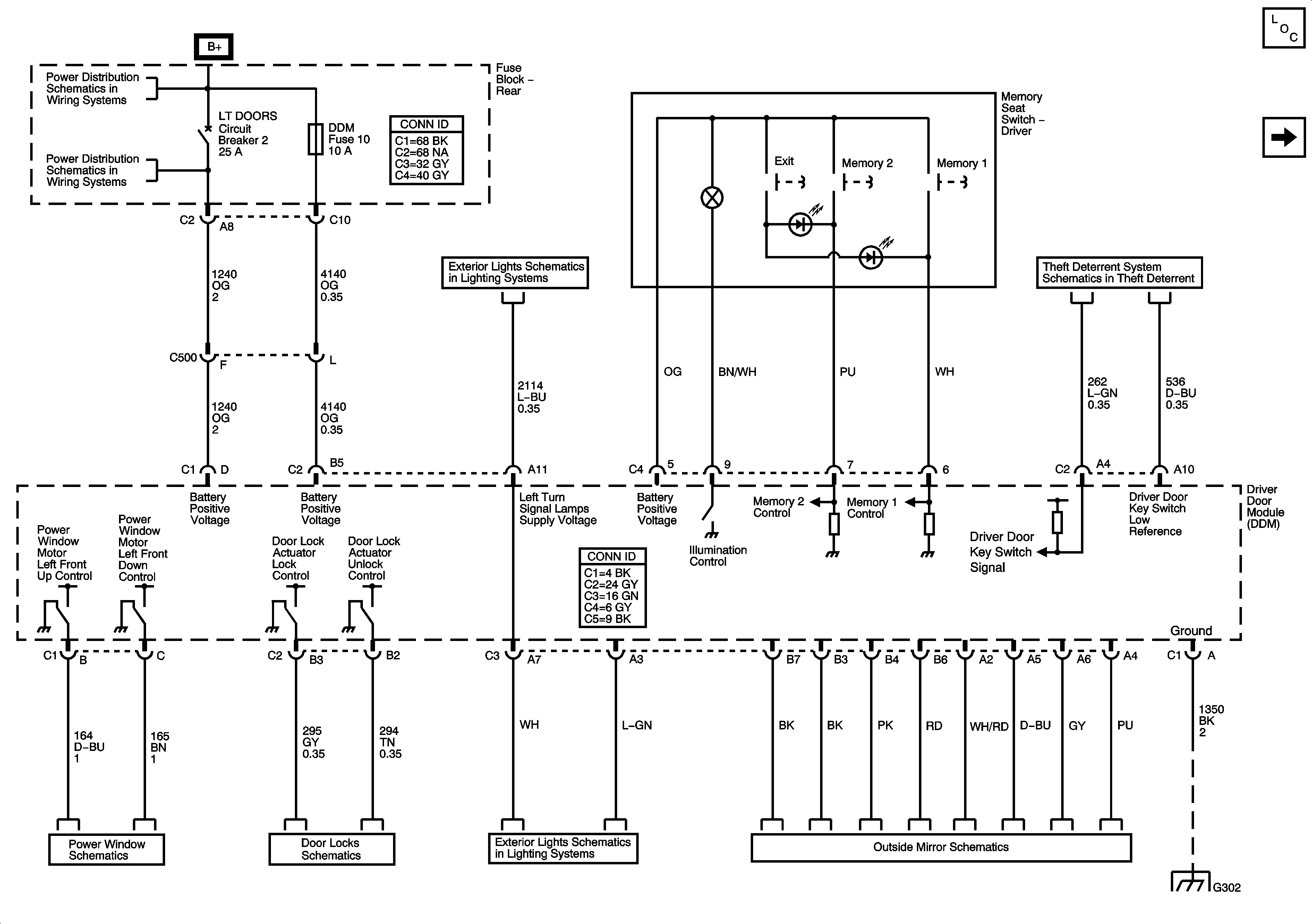
🢒 Power, Ground, and Subsystem References
Power, Ground, and Subsystem References
Driver - Power and Ground, and Subsystem References
Master Electrical Component List
Driver - Serial Data and Subsystem References
B+ Bus - Rear Fuse Block
DDM, PDM, AMP Fuses, SEATS, LT DOORS, and RT DOORS Circuit Breakers
Left Turn Signals
Theft Deterrent System Schematics
Left
Front Doors and Liftgate
Left Turn Signals
04 S/T Isuzu Outside Mirror Schematics
G302 - 1 of 2, G303, and G304