GM Service Manual Online
For 1990-2009 cars only
Makes
🢒
Isuzu
🢒
2005
🢒
Ascender - 2WD
🢒
Body
🢒
Stationary Windows
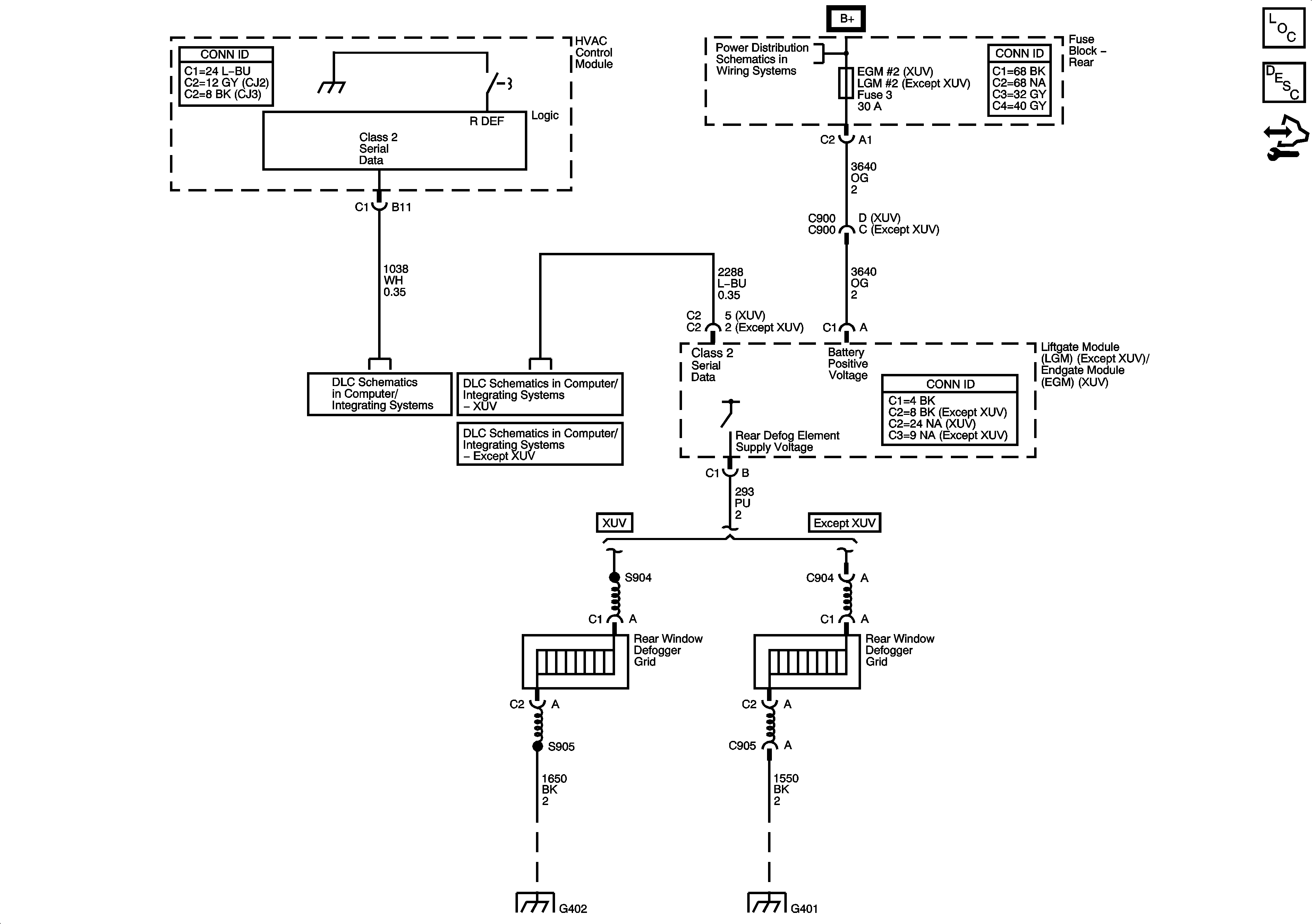
🢒 Defogger Schematics
Master Electrical Component List
Rear Window Defogger Description and Operation
Control Module References
B+ Bus - Rear Fuse Block
SP205
SP306 - except XUV
SP306 - XUV
G401, G402, G403 - XUV
G401, G402, and G403 - Except XUV