GM Service Manual Online
For 1990-2009 cars only
Makes
🢒
Isuzu
🢒
2005
🢒
Ascender - 2WD
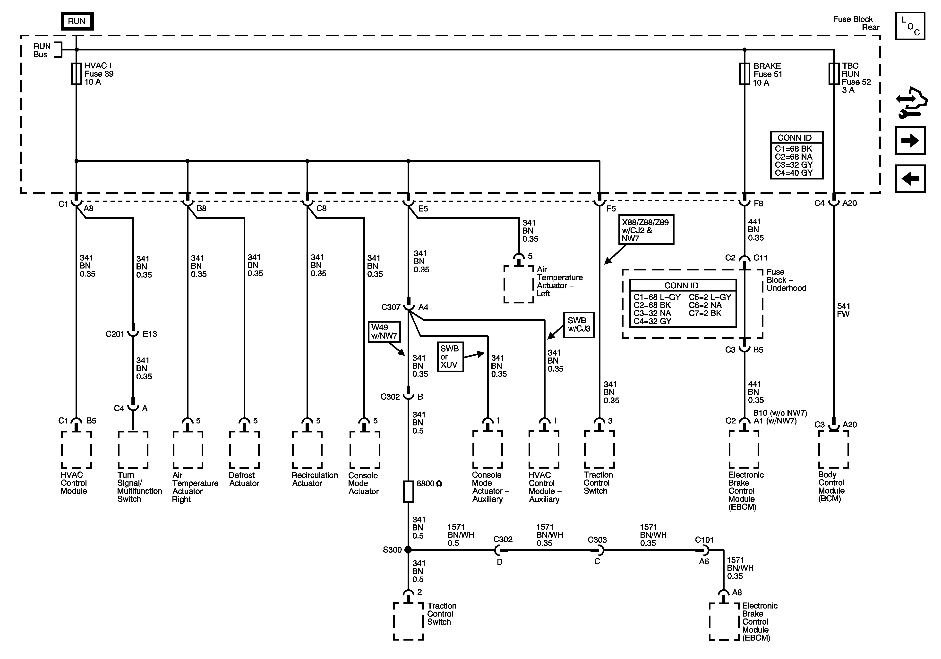
🢒 BRAKE, HVAC I, and TBC RUN Fuses
BRAKE, HVAC I, and TBC RUN Fuses
BRAKE, HVAC I, and TBC RUN Fuses
Master Electrical Component List
Control Module References
ENG 1, INJA, INJB, O2A, O2B, and TAC Fuses - 5.3L
4WD, ENG I, HVAC, O2, SIR, and TAC Fuses
Ignition Switch - ACCY/RUN/START, RUN, and START Bus Bars, IGN A and CRANK Fuses