GM Service Manual Online
For 1990-2009 cars only
Makes
🢒
Isuzu
🢒
2005
🢒
Ascender - 2WD
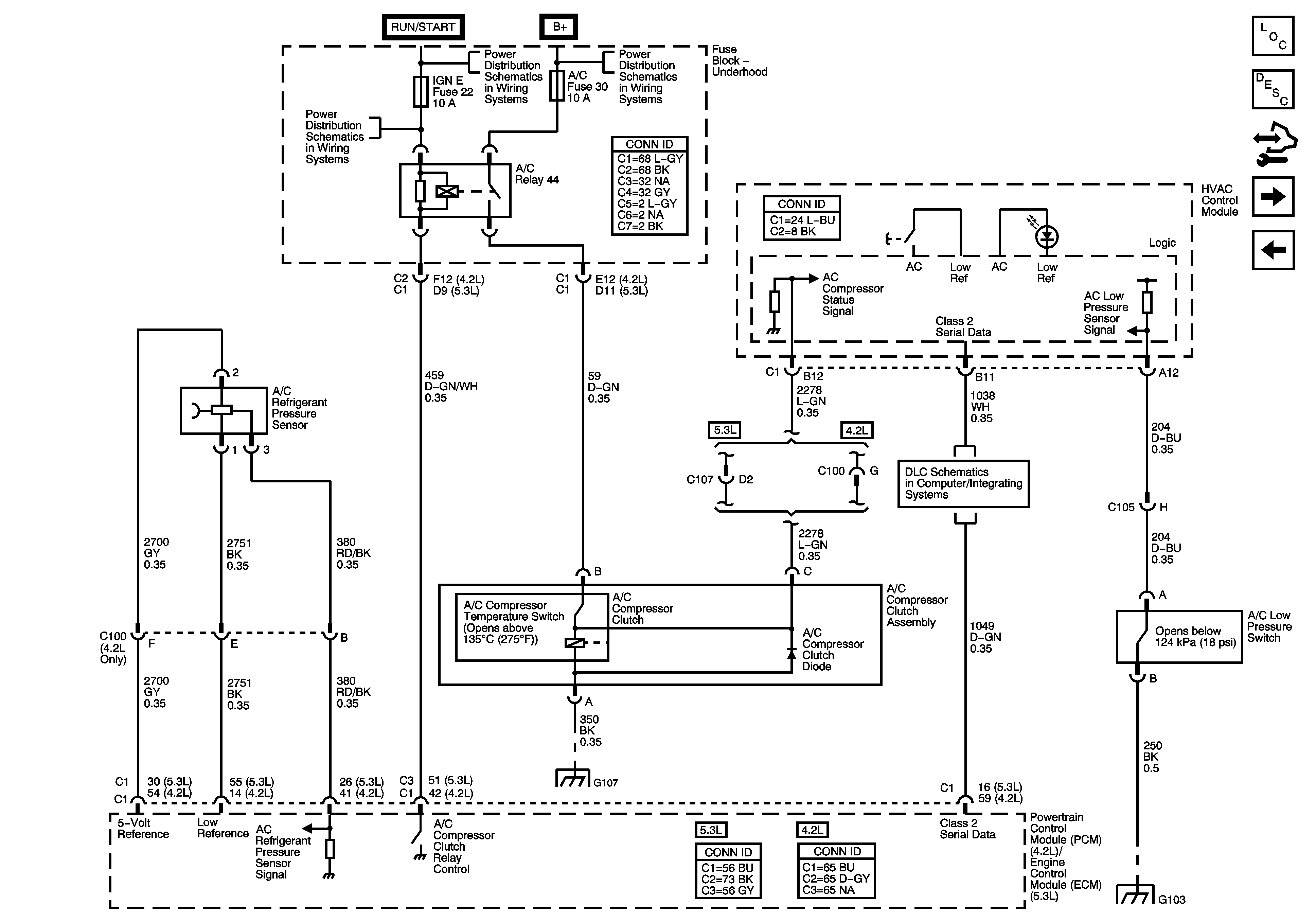
🢒 Compressor Controls
Compressor Controls
Compressor Controls
Master Electrical Component List
Air Temperature Description and Operation
Control Module References
Air Delivery/Temperature Actuators
Module Power, Ground, Serial Data, Blower Motor, and Coolant Bypass Valve
Ignition Switch - ACCY/RUN and RUN/START Bus Bars, IGN B Fuse
Ignition Switch - ACCY/RUN and RUN/START Bus Bars, IGN B Fuse
B+ Bus - Underhood Fuse Block
SP205
G104, G105, and G107
G101, G103, G106, and G110