GM Service Manual Online
For 1990-2009 cars only
Makes
🢒
Isuzu
🢒
2005
🢒
Ascender - 2WD
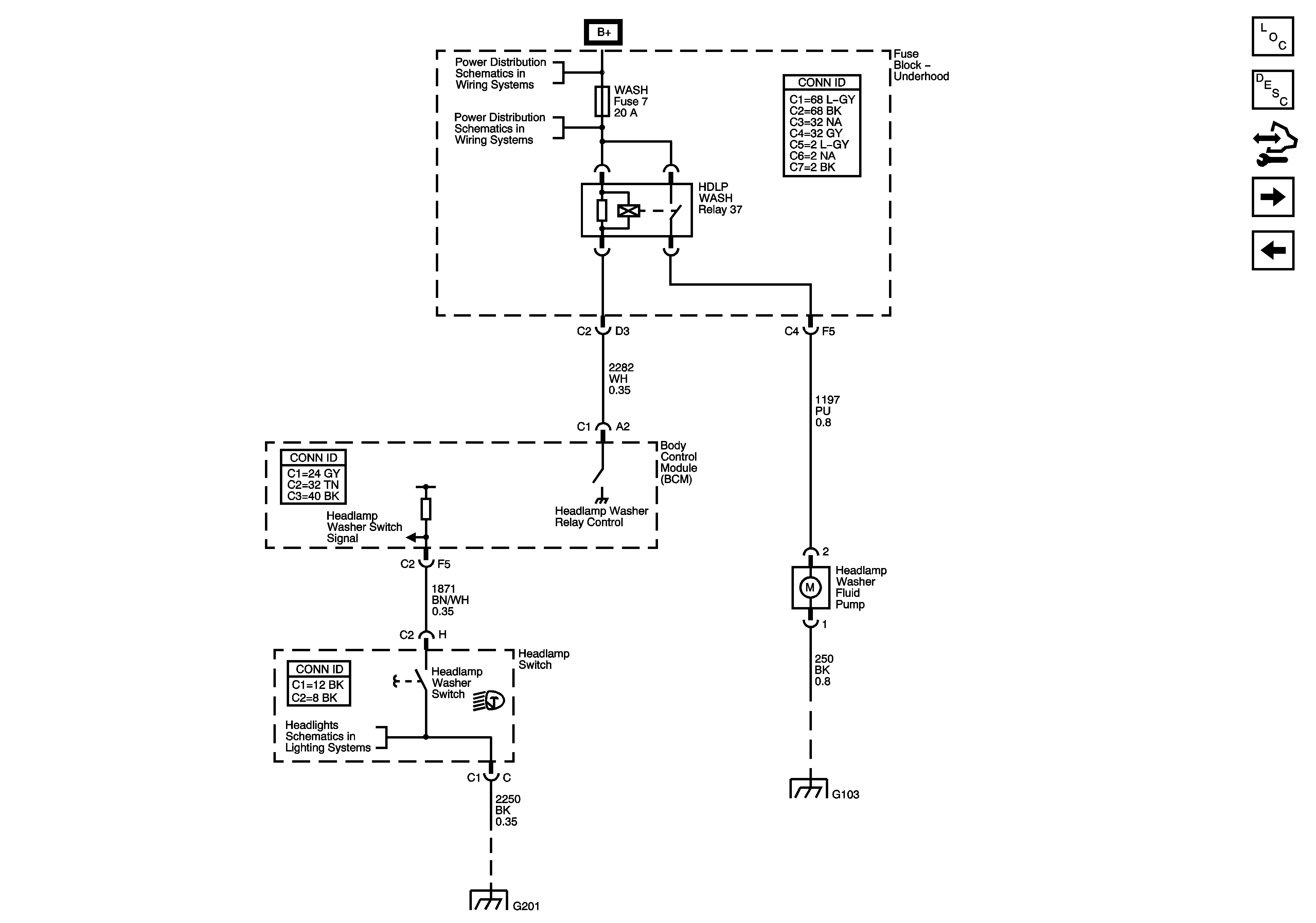
🢒 Headlamp Washer (CE4)
Headlamp Washer (CE4)
Headlamp Washer (CE4)
Master Electrical Component List
Headlamp Washer System Description and Operation
Control Module References
Rear Wiper/Washer Controls (CD6)
Wiper/Washer Switch and Washer Fluid Level Switch
B+ Bus - Underhood Fuse Block
B+ Bus - Underhood Fuse Block
Headlamp Switch
G201 - 1 of 2
G101, G103, G106, and G110