GM Service Manual Online
For 1990-2009 cars only
Makes
🢒
Isuzu
🢒
2005
🢒
Ascender - 2WD
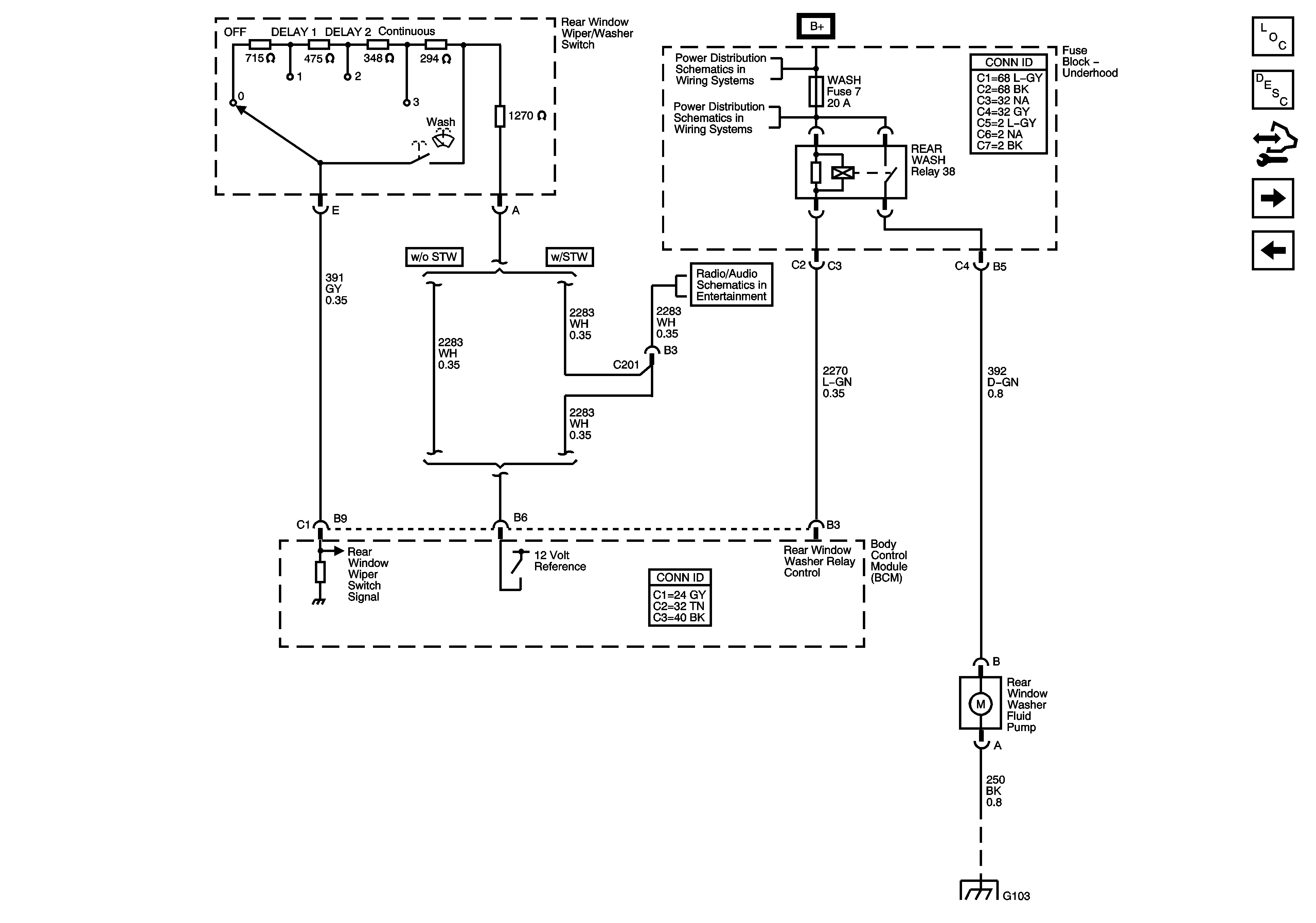
🢒 Rear Wiper/Washer Controls (CD6)
Rear Wiper/Washer Controls (CD6)
Rear Wiper/Washer Controls (CD6)
Master Electrical Component List
Rear Wiper/Washer System Description and Operation
Control Module References
Rear Window Wiper Motor (CD6)
Headlamp Washer (CE4)
B+ Bus - Underhood Fuse Block
B+ Bus - Underhood Fuse Block
Steering Wheel Controls
G101, G103, G106, and G110