GM Service Manual Online
For 1990-2009 cars only
Makes
🢒
Isuzu
🢒
2005
🢒
Ascender - 2WD
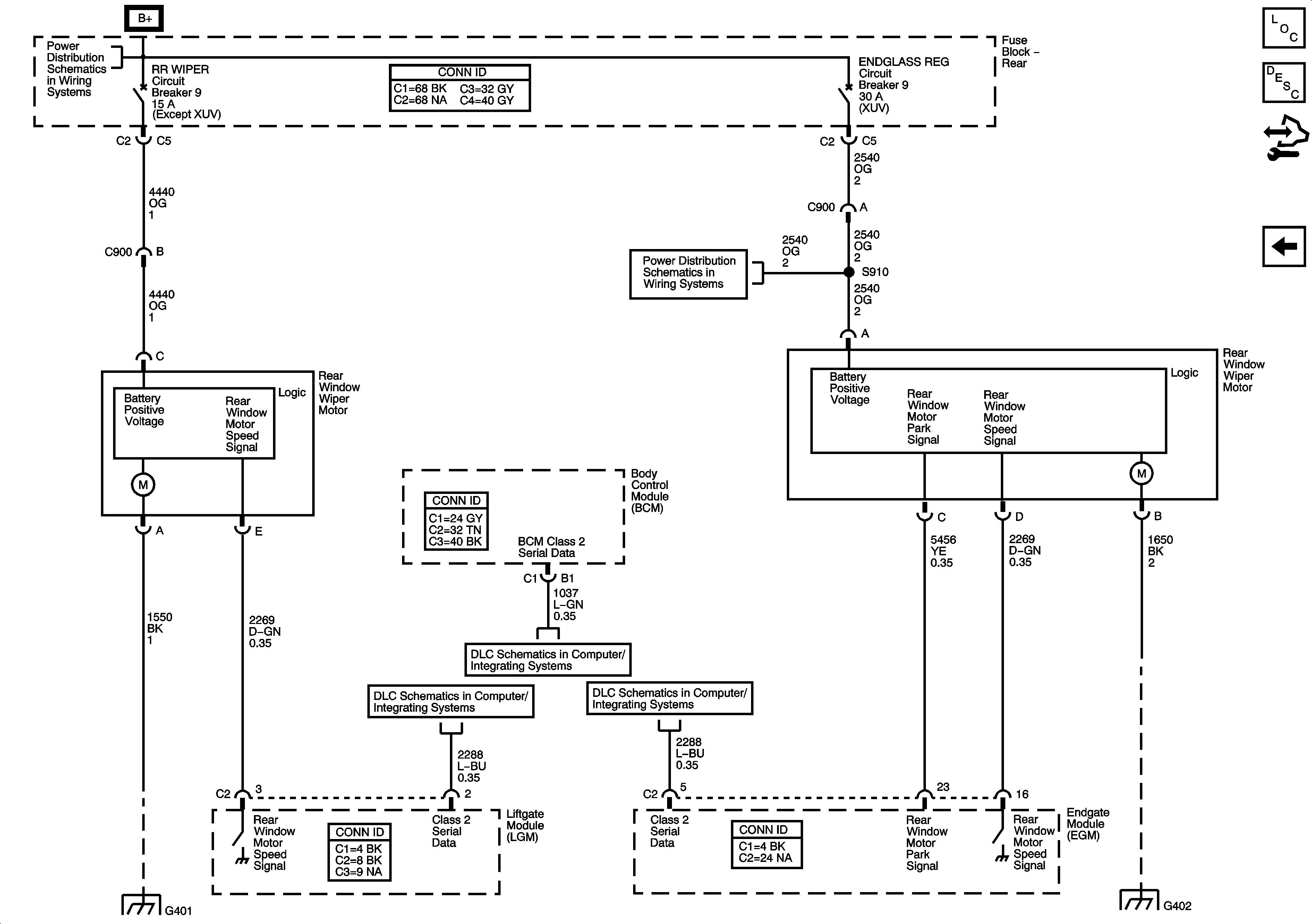
🢒 Rear Window Wiper Motor (CD6)
Rear Window Wiper Motor (CD6)
Rear Window Wiper Motor (CD6)
Master Electrical Component List
Rear Wiper/Washer System Description and Operation
Control Module References
Rear Wiper/Washer Controls (CD6)
B+ Bus - Rear Fuse Block
G102
SP205
SP306 - except XUV
SP306 - XUV
G401, G402, and G403 - Except XUV
G401, G402, G403 - XUV