GM Service Manual Online
For 1990-2009 cars only
Makes
🢒
Isuzu
🢒
2007
🢒
Ascender - 2WD
🢒
Diagnostic Navigation
🢒
Vehicle Diagnostic Information
🢒 Starting and Charging Schematics
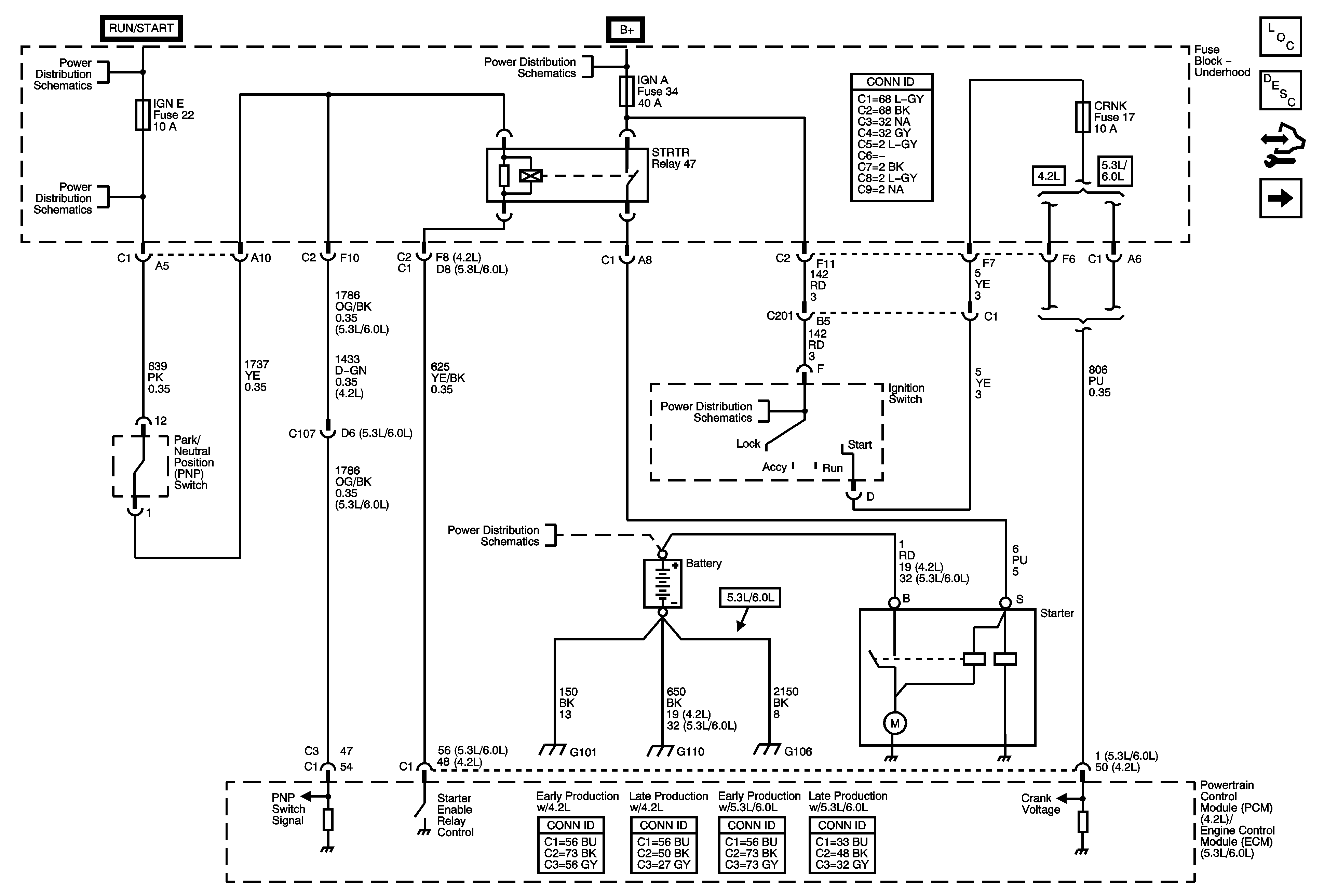
Figure
1:
Starting System
Master Electrical Component List
Starting System Description and Operation
Control Module References
Charging System
Ignition Switch - ACCY/RUN, RUN/START Bus Bars and IGN B Fuse
BCK/UP, BTSI, IGN E, TBC IGN 1, and TRLR BCK/UP Fuses
B+ Bus - Underhood Fuse Block
B+ Bus - Underhood Fuse Block
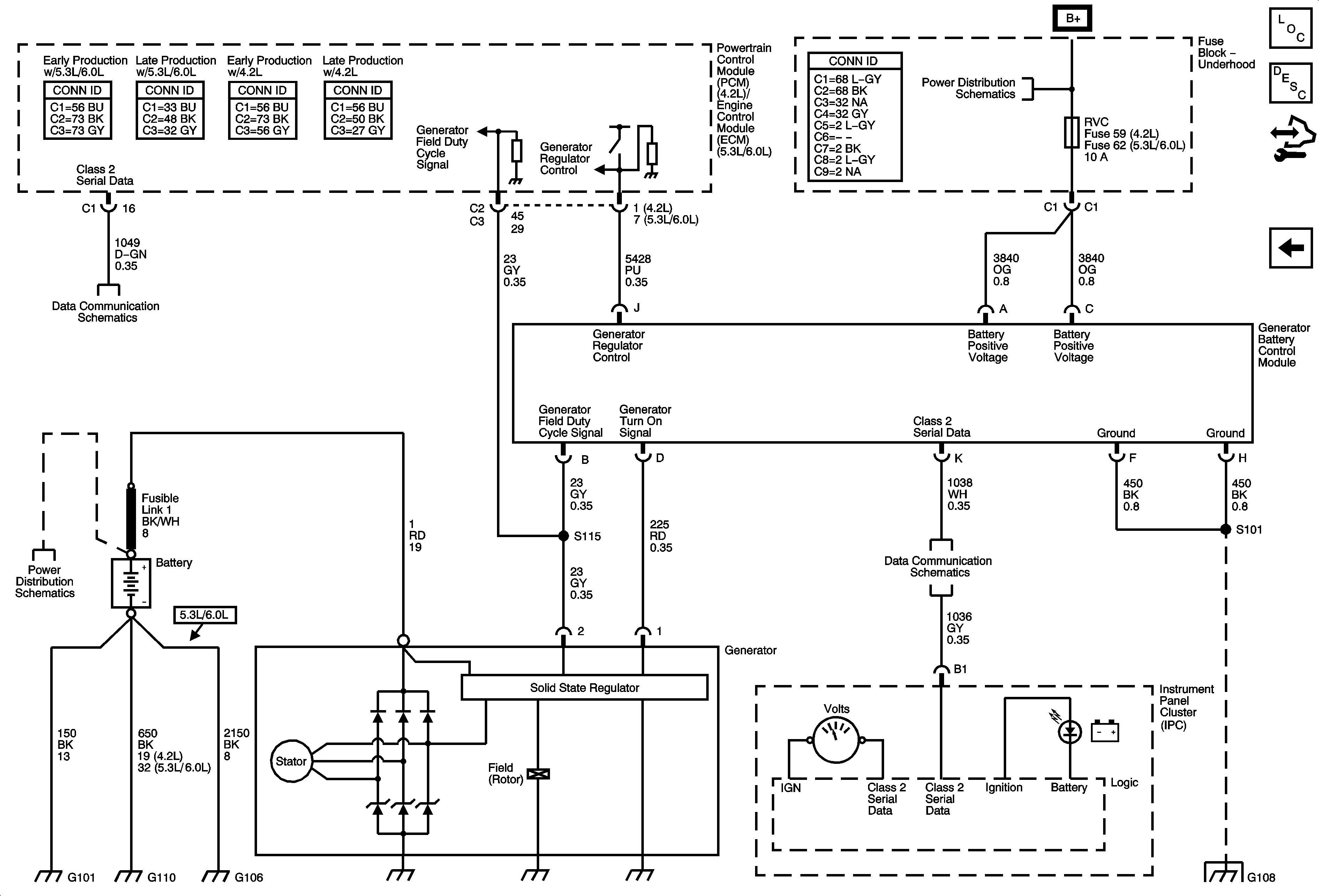
Figure
2:
Charging System
Master Electrical Component List
Charging System Description and Operation
Control Module References
Starting System
SP205
B+ Bus - Underhood Fuse Block
B+ Bus - Underhood Fuse Block
SP205
G108