GM Service Manual Online
For 1990-2009 cars only
Makes
🢒
Isuzu
🢒
2007
🢒
Ascender - 2WD
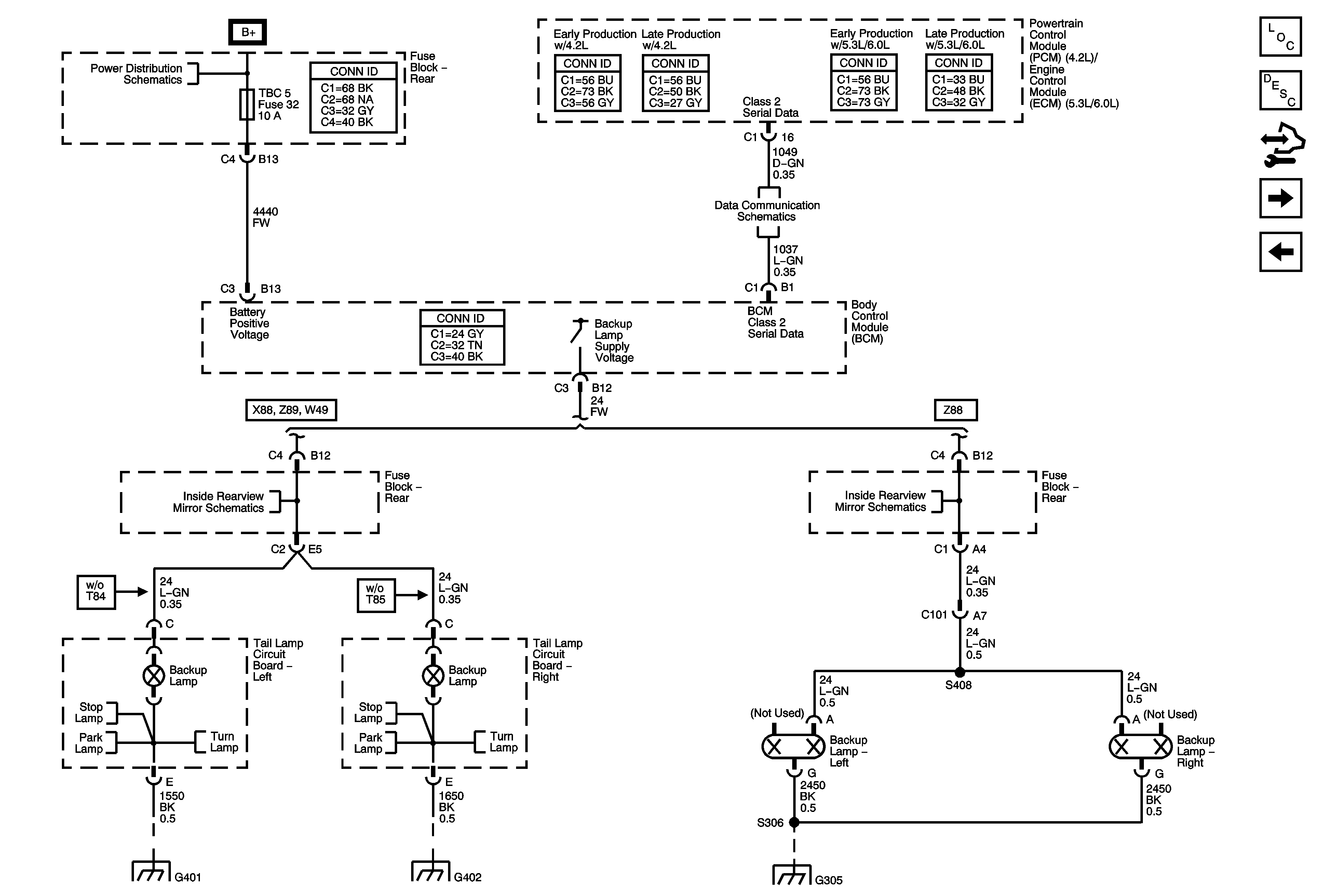
🢒 Backup Lamps
Backup Lamps
Backup Lamps
Master Electrical Component List
Exterior Lighting Systems Description and Operation
Control Module References
Trailer Wiring - UY7
Right Turn Signals
B+ Bus - Rear Fuse Block
SP205
Inside Rearview Mirror Schematics
Stop Lamps
License and Rear Park Lamps
Left Turn Signals
G401, G402, and G403
Stop Lamps
License and Rear Park Lamps
Right Turn Signals
G401, G402, and G403
G201 - 2 of 2, and G305