GM Service Manual Online
For 1990-2009 cars only
Makes
🢒
Isuzu
🢒
2007
🢒
Ascender - 2WD
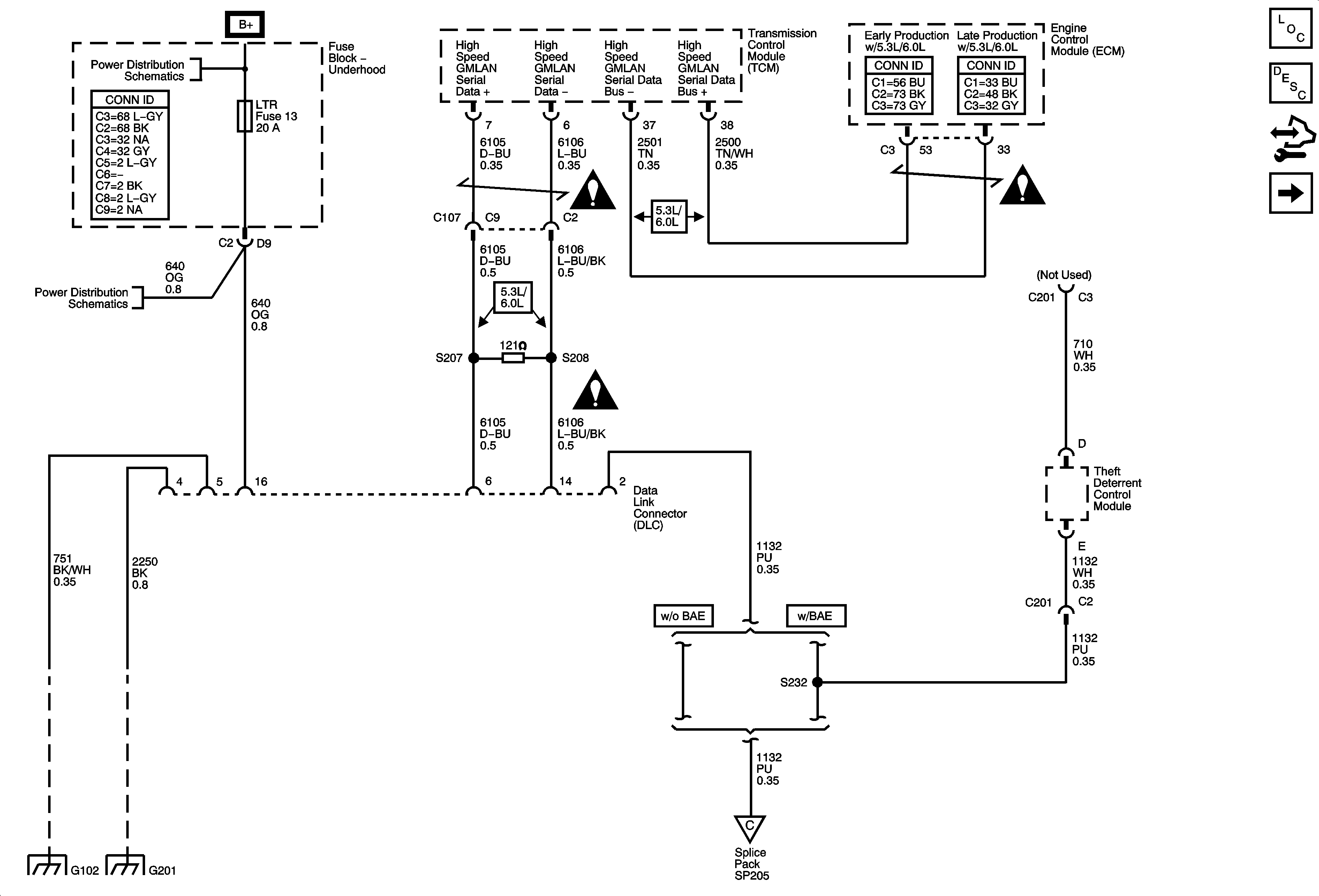
🢒 Power, Ground, and Data Link Connector
Power, Ground, and Data Link Connector
Power, Ground, and Data Link Connector
Master Electrical Component List
Data Link Communications Description and Operation
Control Module References
SP205
B+ Bus - Underhood Fuse Block
ABS, ATC, BLWR, ECAS, ELEC BRK, HAZRD, IPC/DIC, LTR, RVC, STOP LAMP, TRLR, VEH CHMSL, VEH STOP, and VSES Fuses
Data Communication Schematic Icons
Data Communication Schematic Icons
Data Communication Schematic Icons
G102
G201 - 1 of 2
SP205