GM Service Manual Online
For 1990-2009 cars only
Makes
🢒
Isuzu
🢒
2003
🢒
Ascender - 4WD
🢒 O2 and ENG 1 Fuses
O2 and ENG 1 Fuses
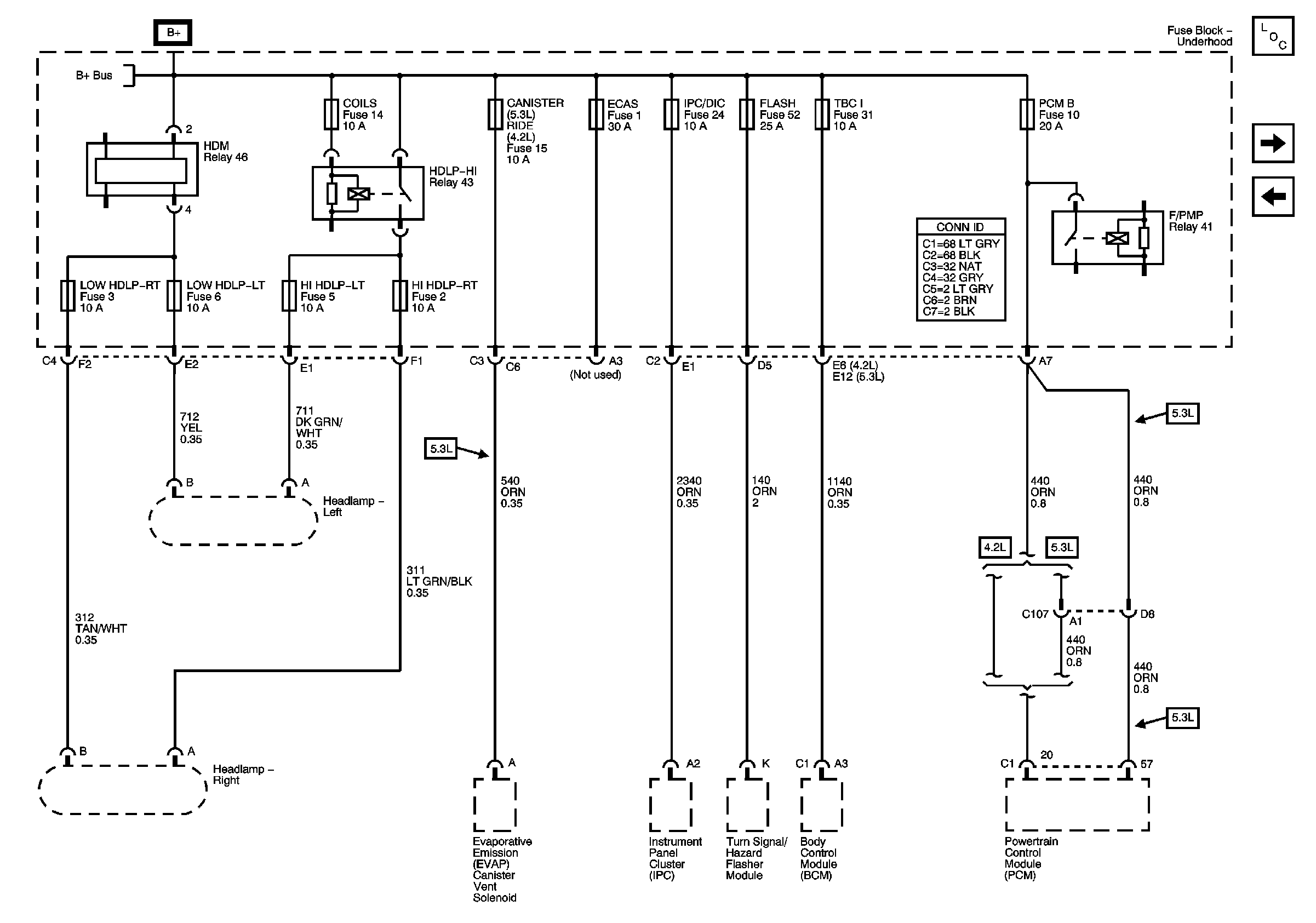
COILS, CANISTER, ECAS, IPC/DIC, FLASH, TBC I, and PCM B Fuses
Master Electrical Component List
FLASHER, VEHICLE CHMSL, VEHICLE STOP TRLl L TURN, TRL R TURN, LEFT TURN, RIGHT TURN Fuses
IGN E and PCM I Fuses
I/P BATT, TRAILER ABS, HORN IGN A, IGN B, ATC Fuses