GM Service Manual Online
For 1990-2009 cars only
Makes
🢒
Isuzu
🢒
2003
🢒
Ascender - 4WD
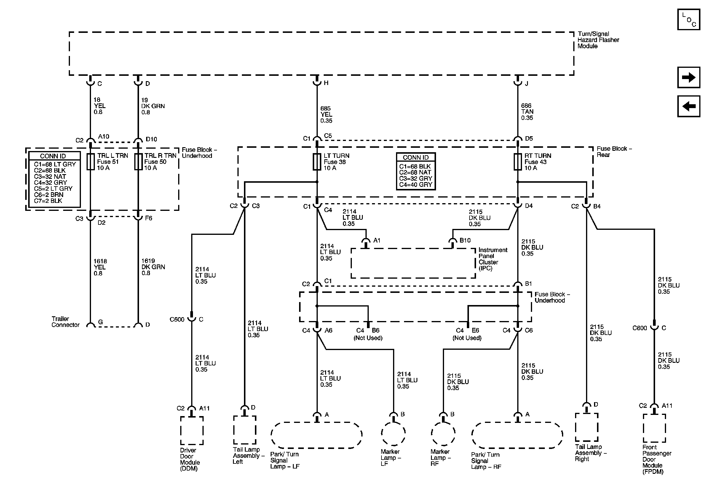
🢒 TRL L TRN, TRL R TRN, LT TURN and RT TURN Fuses
TRL L TRN, TRL R TRN, LT TURN and RT TURN Fuses
TRL L TRN, TRL R TRN, LT TURN, and RT TURN Fuses
Master Electrical Component List
TBC 5, LT DOORS, DDM;, PDM, RT DOORS Fuses
LGM/DSM, OH BATT/ONSTAR/PHONE, RADIO, HVAC B Fuses