GM Service Manual Online
For 1990-2009 cars only
Makes
🢒
Isuzu
🢒
2003
🢒
Ascender - 4WD
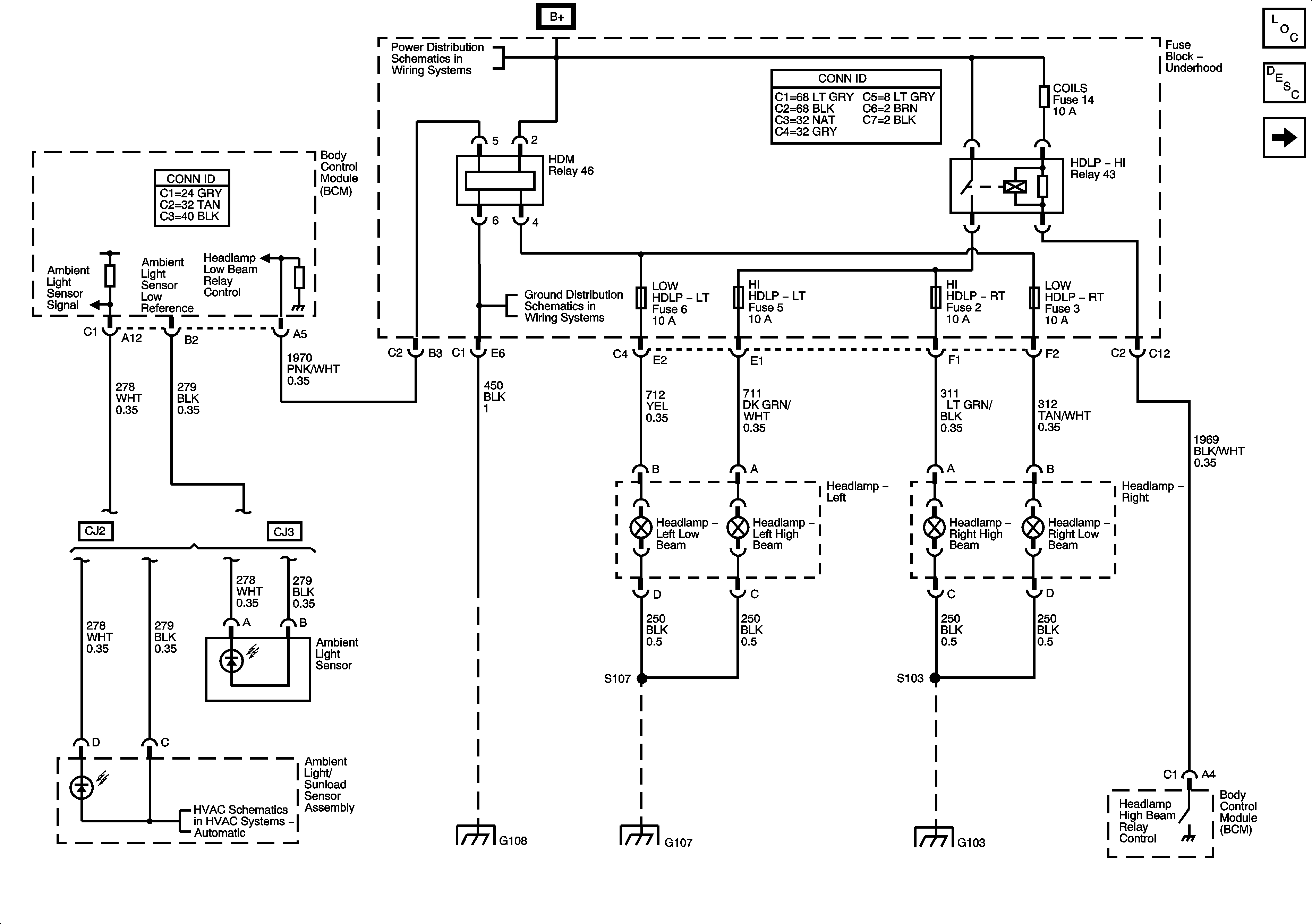
🢒 Headlamps
Headlamps
Headlamps
Master Electrical Component List
Exterior Lighting Systems Description and Operation
Headlamp Switch
G101, G103, G106, and G110
G102, G104, G105, and G107
G108
Ambient Lignt/Sunload Sensor
I/P BATT, TRAILER ABS, HORN IGN A, IGN B, ATC Fuses