GM Service Manual Online
For 1990-2009 cars only
Makes
🢒
Isuzu
🢒
2003
🢒
Ascender - 4WD
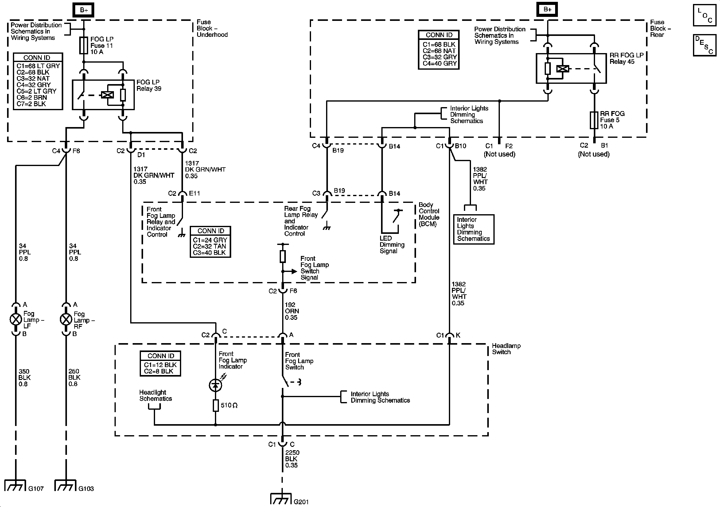
🢒 Fog Lights
Fog Lights
Master Electrical Component List
Exterior Lighting Systems Description and Operation
I/P Indicators
Interior Lamps Controls
G201, 1 of 2
G101, G103, G106, and G110
G102, G104, G105, and G107
I/P BATT, TRAILER ABS, HORN IGN A, IGN B, ATC Fuses
TRLR-E BRK,STOP, BLOWER, CIGAR, W/S WASH, A/C, FOG LAMP, PCM B Buses) Fuses