GM Service Manual Online
For 1990-2009 cars only
Makes
🢒
Isuzu
🢒
2003
🢒
Ascender - 4WD
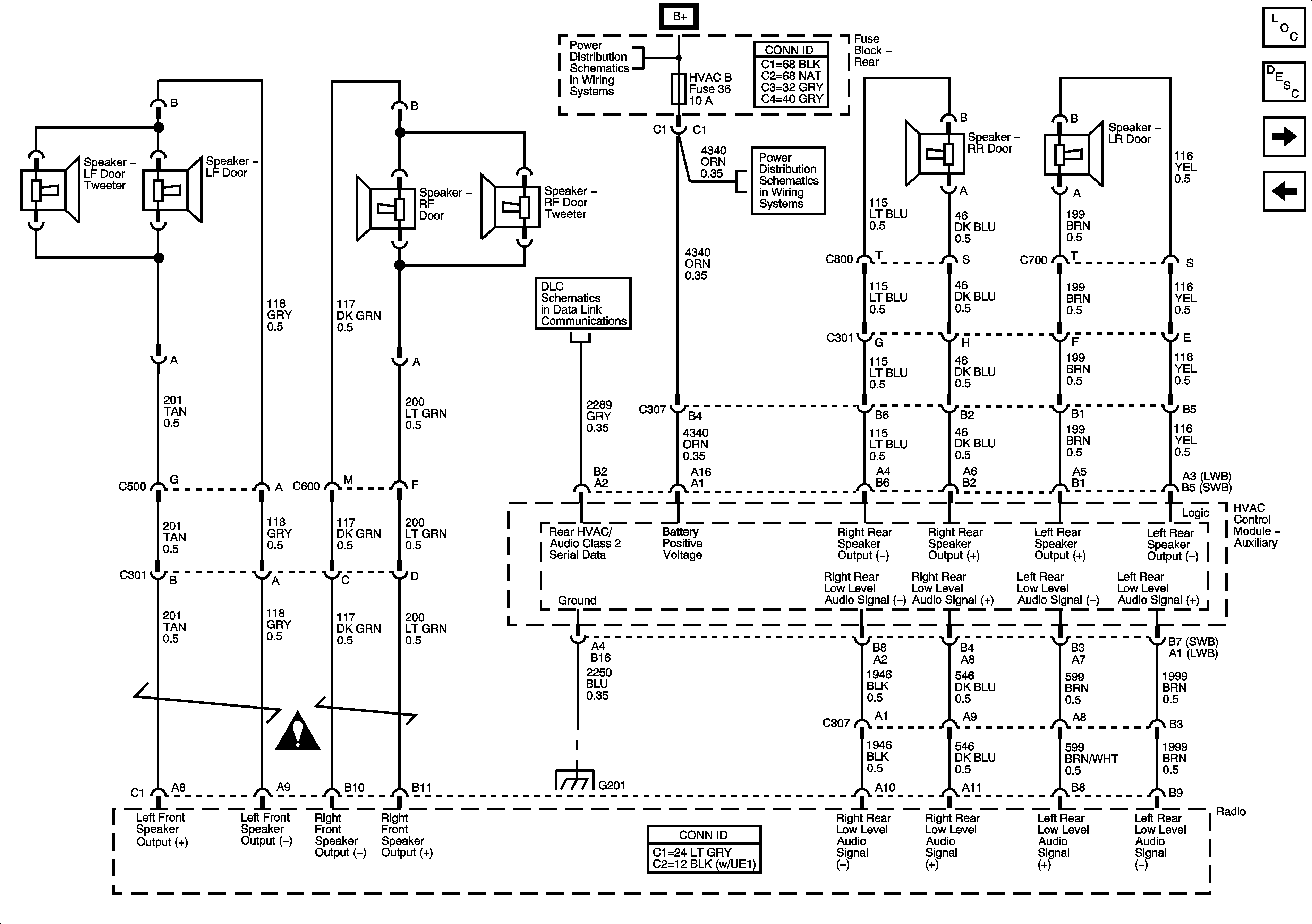
🢒 Base Radio With Rear Seat Audio
Base Radio With Rear Seat Audio
Base Radio -- With Rear Seat Audio
Master Electrical Component List
Radio/Audio System Description and Operation w/ CTF
Premium Radio
Base Radio Without Rear Seat Audio
Entertainment Schematic Icons
Data Link Connector
FLASHER, VEHICLE CHMSL, VEHICLE STOP TRLl L TURN, TRL R TURN, LEFT TURN, RIGHT TURN Fuses