GM Service Manual Online
For 1990-2009 cars only
Makes
🢒
Isuzu
🢒
2003
🢒
Ascender - 4WD
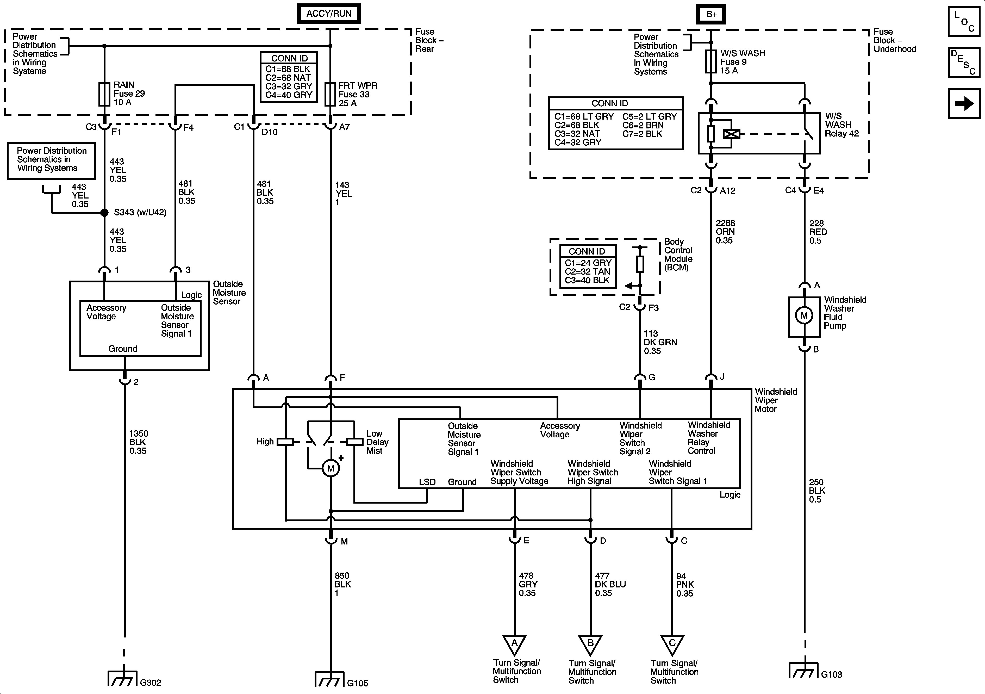
🢒 Front Wiper/Washer Motor
Front Wiper/Washer Motor
Outside Moisture Sensor and Front Wiper/Washer Motor
Master Electrical Component List
Wiper/Washer System Description and Operation
Wiper/Washer Switch and Washer Fluid Level Switch
G101, G103, G106, and G110
Wiper/Washer Switch and Washer Fluid Level Switch
G102, G104, G105, and G107
G302-1 of 2, G303, and G304
TBC 5, LT DOORS, DDM;, PDM, RT DOORS Fuses
TBC 5, LT DOORS, DDM;, PDM, RT DOORS Fuses
I/P BATT, TRAILER ABS, HORN IGN A, IGN B, ATC Fuses