GM Service Manual Online
For 1990-2009 cars only
Makes
🢒
Isuzu
🢒
2003
🢒
Ascender - 4WD
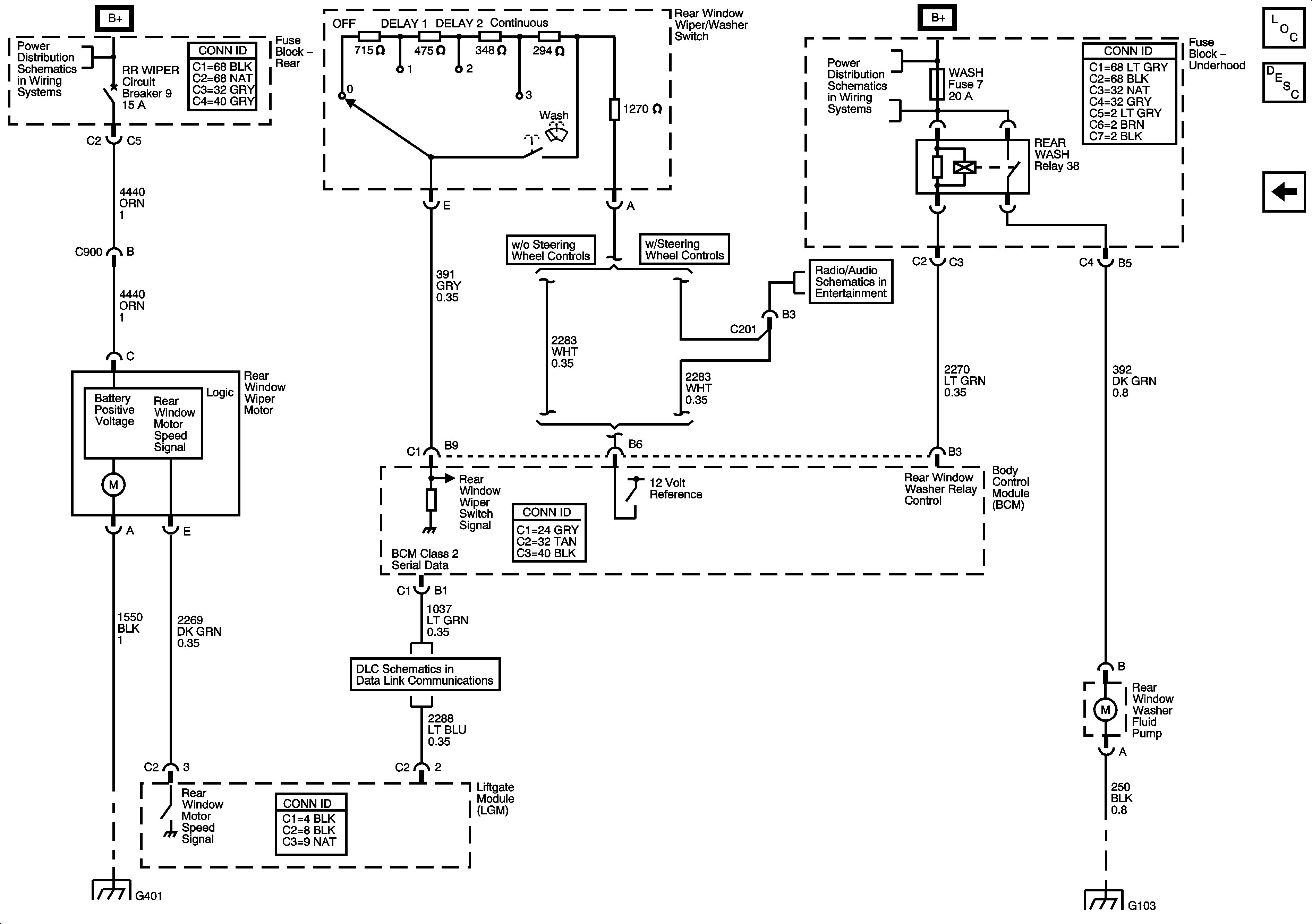
🢒 Rear Wiper/Washer
Rear Wiper/Washer
Rear Wiper/Washer
Master Electrical Component List
Wiper/Washer System Description and Operation
Wiper/Washer Switch and Washer Fluid Level Switch
G101, G103, G106, and G110
Data Link Communication
G401, G402, and G403
TRLR-E BRK,STOP, BLOWER, CIGAR, W/S WASH, A/C, FOG LAMP, PCM B Buses) Fuses
Steering Wheel Controls
I/P BATT, TRAILER ABS, HORN IGN A, IGN B, ATC Fuses