GM Service Manual Online
For 1990-2009 cars only
Makes
🢒
Isuzu
🢒
2003
🢒
Ascender - 4WD
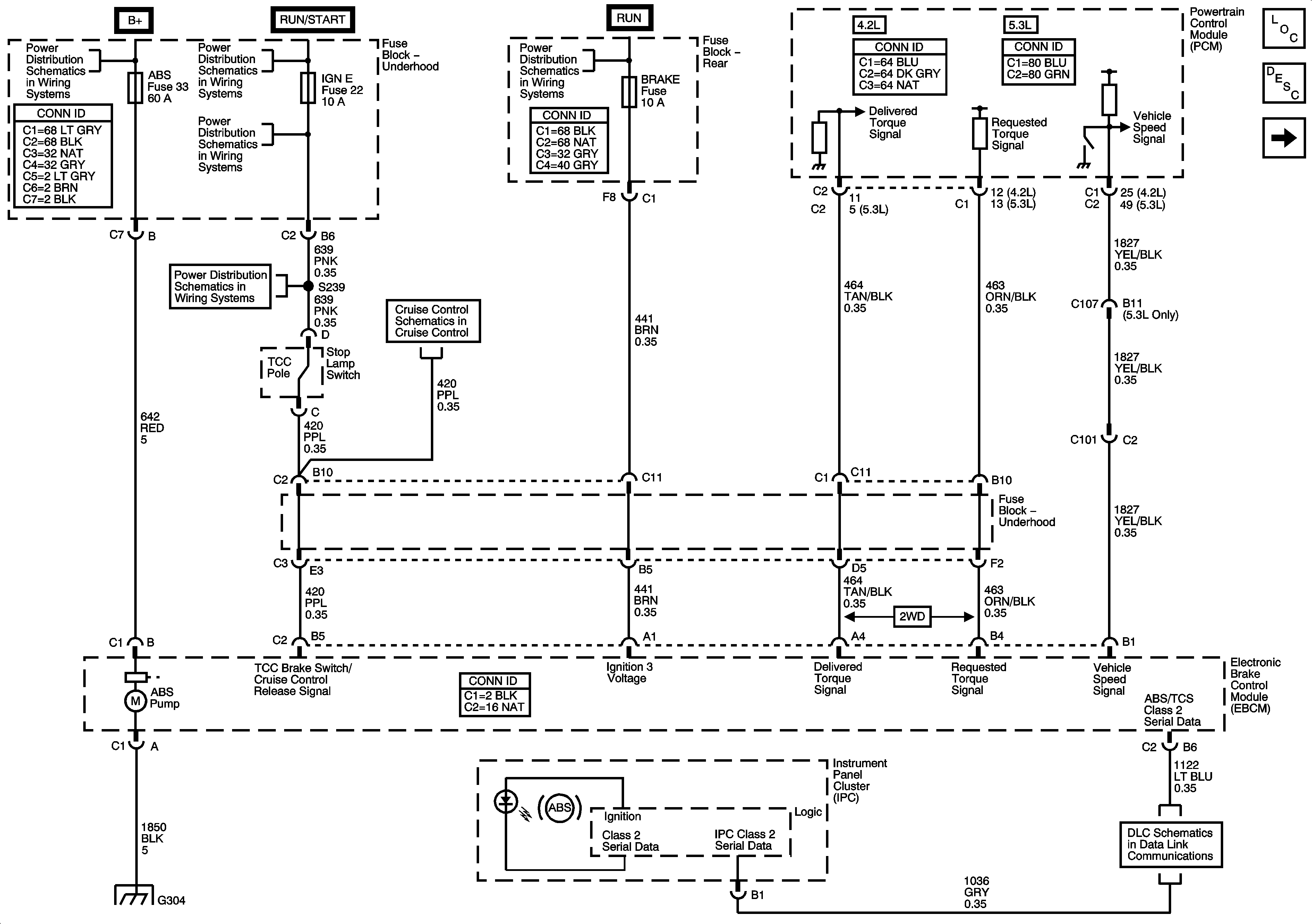
🢒 Module Power, Ground, Serial Data, Indicator,Torque and Vehicle Speed Signals
Module Power, Ground, Serial Data, Indicator,Torque and Vehicle Speed Signals
Electronic Brake Controls
Master Electrical Component List
ABS Description and Operation
Traction Control Switch
Data Link Connector
G302-1 of 2, G303, and G304
IGN E and PCM I Fuses
AUX PWR 2, RRHVAC, AUX PWR 1, TBC 2, TBC 3, TBC 4 Fuses
EBCM and Vehicle Speed Signal
HVAC I, BRAKE and TBC RUN Fuses