GM Service Manual Online
For 1990-2009 cars only
Makes
🢒
Isuzu
🢒
2003
🢒
Ascender - 4WD
🢒 Traction Control Switch
Traction Control Switch
Traction Control Switch
Master Electrical Component List
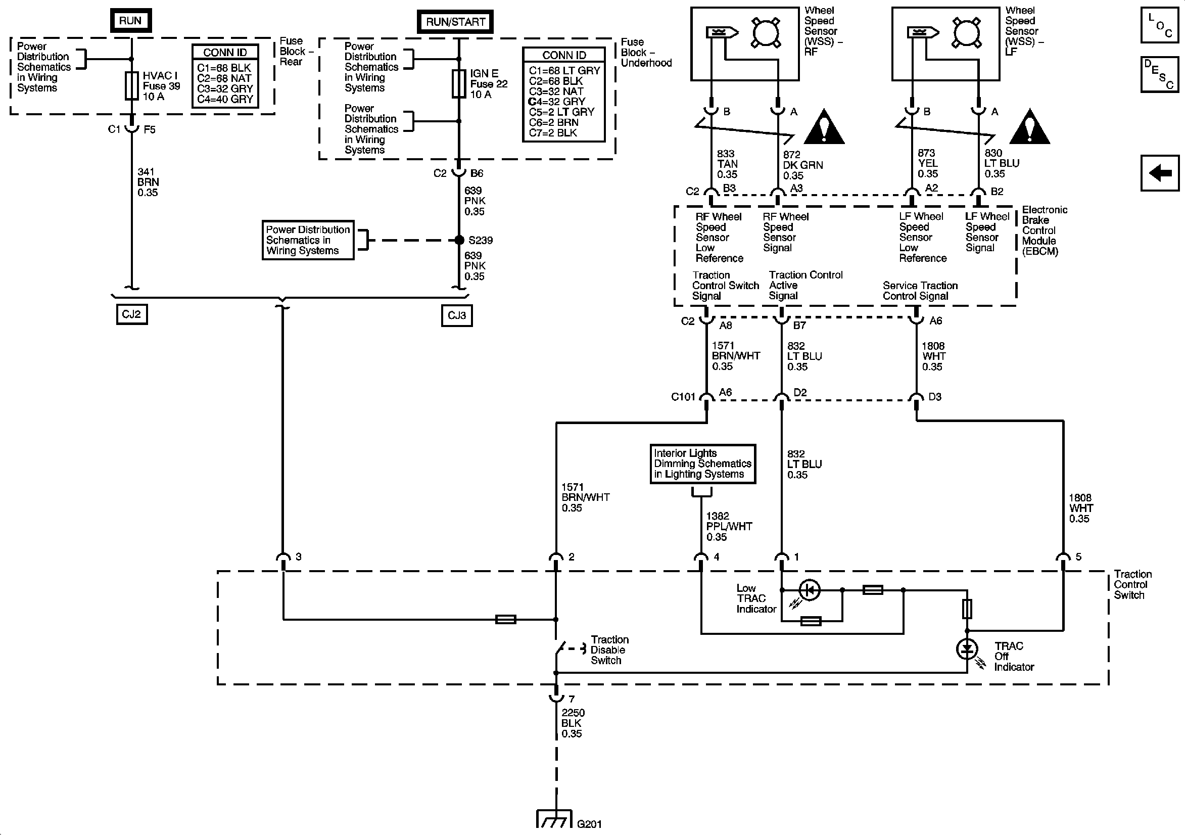
ABS Description and Operation
Module Power, Ground, Serial Data, Indicator, Torque and Vehicle Speed Signals
G201, 1 of 2
I/P Indicators
HVAC I, BRAKE and TBC RUN Fuses
AUX PWR 2, RRHVAC, AUX PWR 1, TBC 2, TBC 3, TBC 4 Fuses
Antilock Brake System Schematic Icons