GM Service Manual Online
For 1990-2009 cars only
Makes
🢒
Isuzu
🢒
2003
🢒
Ascender - 4WD
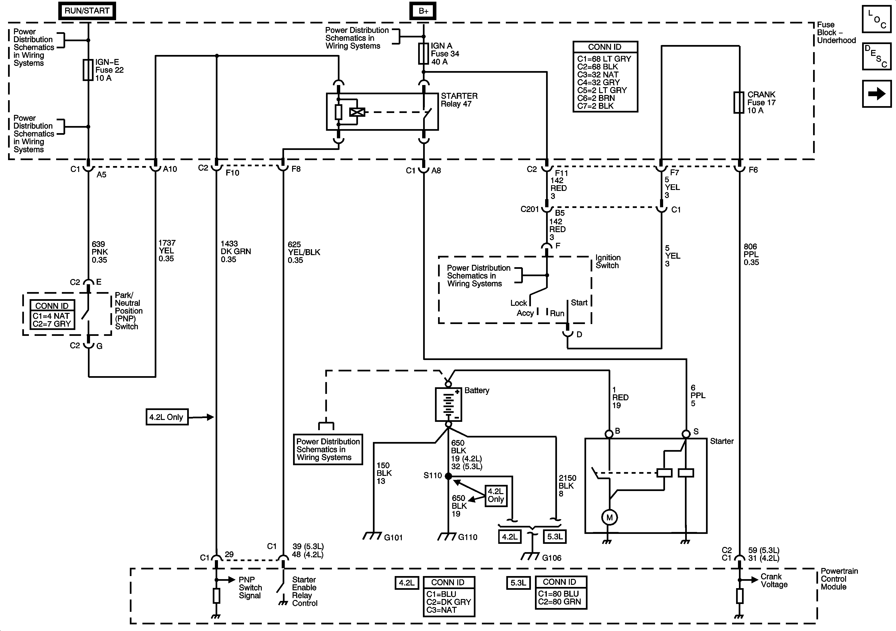
🢒 Starting System
Starting System
Starting System
Master Electrical Component List
Starting System Description and Operation
AUX PWR 2, RRHVAC, AUX PWR 1, TBC 2, TBC 3, TBC 4 Fuses
COILS, ECAS, CANISTER, WASH, IPC/DIC, FLASHER, TBC 1 Fuses
COILS, ECAS, CANISTER, WASH, IPC/DIC, FLASHER, TBC 1 Fuses
I/P BATT, TRAILER ABS, HORN IGN A, IGN B, ATC Fuses