GM Service Manual Online
For 1990-2009 cars only
Makes
🢒
Isuzu
🢒
2003
🢒
Ascender - 4WD
🢒 LGM/DSM, OH BATT/ONSTAR/PHONE, RADIO, HVAC B Fuses
LGM/DSM, OH BATT/ONSTAR/PHONE, RADIO, HVAC B Fuses
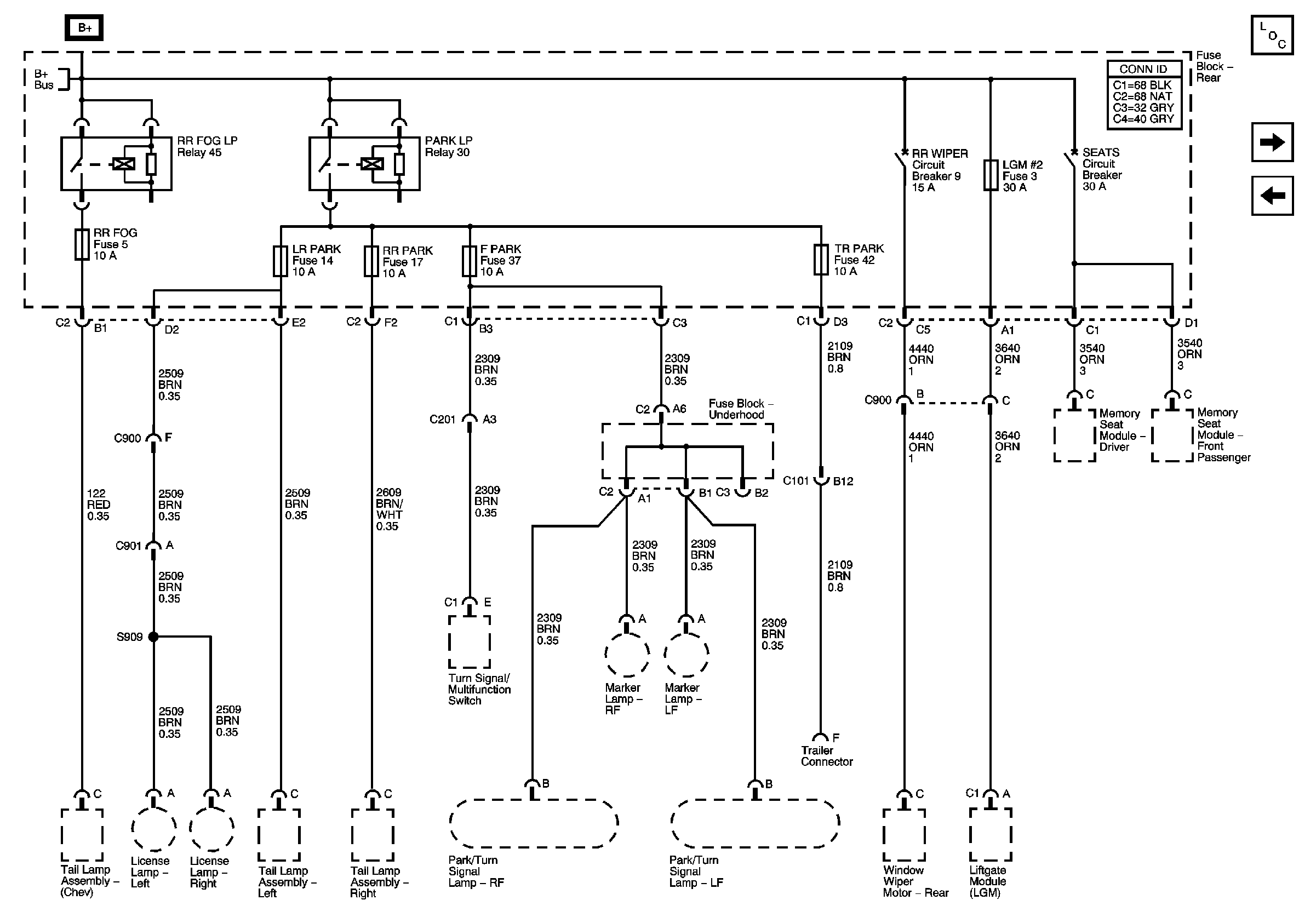
RR FOG, LR PARK, RR PARK, F PARK, TR PARK, and LGM 2 Fuses, SEATS and RR WIPER Circuit Breakers
Master Electrical Component List
TRL L TRN, TRL R TRN, LT TURN and RT TURN Fuses
HVAC I, BRAKE, TBC RUN Fuses
I/P BATT, TRAILER ABS, HORN IGN A, IGN B, ATC Fuses